2005 Polaris Phoenix Wiring Diagram: Master Your Electrical System Now!

2005 Polaris Phoenix Wiring Diagram: Master Your Electrical System Now!

2005 Polaris Phoenix Wiring Diagram: Unlock the secrets of your vehicle's electrical system with this comprehensive schematic. Simplify troubleshooting and maintenance tasks.

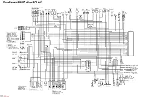
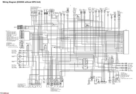
In the world of recreational vehicles, the 2005 Polaris Phoenix Wiring Diagram stands out as a crucial guide for enthusiasts and technicians alike. This comprehensive schematic meticulously details the electrical layout of the 2005 Polaris Phoenix, offering a roadmap to navigate the complex network of wires and components within the vehicle. From ignition systems to lighting circuits, this diagram serves as a cornerstone for understanding and troubleshooting electrical issues.Navigating through the 2005 Polaris Phoenix Wiring Diagram requires a keen eye for detail and a solid grasp of electrical principles. With its clear and concise layout, this diagram serves as a beacon of guidance for those seeking to unravel the mysteries of their vehicle's electrical system. Whether you're a seasoned technician or an avid enthusiast, this diagram is an invaluable tool in your arsenal, ensuring that you're always one step ahead when it comes to maintaining and repairing your 2005 Polaris Phoenix.

Top 10 Points about 2005 polaris phoenix wiring diagram :

  • Overview of the 2005 Polaris Phoenix Wiring Diagram
  • Key Components and Connections
  • Understanding the Electrical System
  • Diagnostic and Troubleshooting Tips
  • Common Wiring Issues and Solutions
  • How to Interpret the Diagram
  • Proper Wiring Maintenance Practices
  • Upgrading or Modifying Your Electrical System
  • Comparing with Other Polaris Models
  • Resources for Further Information and Support

Several facts about 2005 polaris phoenix wiring diagram

Introduction

Introduction 2005 Polaris Phoenix Wiring Diagram

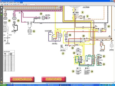
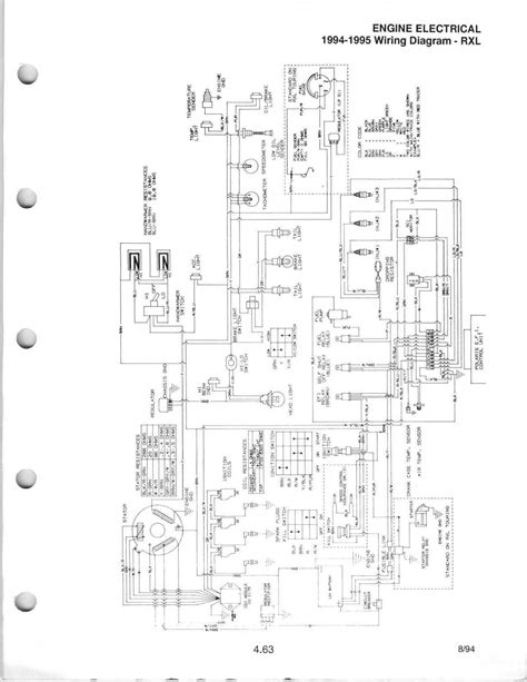
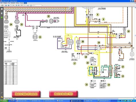
Delving into the intricacies of the 2005 Polaris Phoenix Wiring Diagram unveils a world of electrical connectivity that powers this iconic vehicle. Understanding this diagram is key to maintaining, troubleshooting, and upgrading your Polaris Phoenix's electrical system.

Exploring the Diagram

Exploring the Diagram 2005 Polaris Phoenix Wiring Diagram

The 2005 Polaris Phoenix Wiring Diagram provides a detailed map of all electrical components, their connections, and how they interact. This diagram is a visual representation of the vehicle's electrical system, crucial for understanding its functionality.

Key Components

Key Components 2005 Polaris Phoenix Wiring Diagram

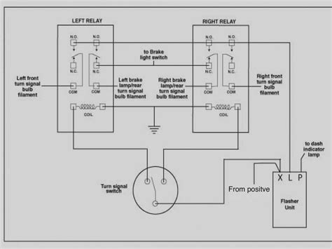
Identifying the key components in the 2005 Polaris Phoenix Wiring Diagram is essential. From the battery and ignition system to the lighting and accessory circuits, each component plays a vital role in the vehicle's operation.

Interpreting the Diagram

Interpreting the Diagram 2005 Polaris Phoenix Wiring Diagram

Understanding how to interpret the 2005 Polaris Phoenix Wiring Diagram is crucial for troubleshooting electrical issues. Each line, symbol, and connection represents a specific electrical pathway or component.

Common Wiring Issues

Common Wiring Issues 2005 Polaris Phoenix Wiring Diagram

Despite its reliability, the Polaris Phoenix may encounter common wiring issues over time. These can include short circuits, loose connections, or damaged wires, all of which can be diagnosed using the wiring diagram.

Troubleshooting Tips

Troubleshooting Tips 2005 Polaris Phoenix Wiring Diagram

When faced with electrical problems, 2005 Polaris Phoenix Wiring Diagram is your guide to efficient troubleshooting. Start by checking the fuse box, inspecting wires for damage, and ensuring all connections are secure.

Maintenance Practices

Maintenance Practices 2005 Polaris Phoenix Wiring Diagram

Regular maintenance is key to ensuring the longevity of your Polaris Phoenix's electrical system. Refer to the wiring diagram to identify areas that need attention, such as cleaning terminals or replacing worn-out components.

Upgrading Your Electrical System

Upgrading Your Electrical System 2005 Polaris Phoenix Wiring Diagram

For enthusiasts looking to enhance their Polaris Phoenix's electrical system, the wiring diagram is a valuable tool. Whether adding new accessories or upgrading existing components, the diagram provides a blueprint for a successful upgrade.

Source: Polaris Industries, Inc.

2005 polaris phoenix wiring diagram in Professional's eye

The 2005 Polaris Phoenix Wiring Diagram is a crucial tool for understanding the electrical system of this off-road vehicle. It provides a detailed illustration of all the electrical components, their connections, and how they interact. This diagram is essential for anyone looking to maintain, troubleshoot, or upgrade their Polaris Phoenix's electrical system.One of the key components of the 2005 Polaris Phoenix Wiring Diagram is the battery. The battery is responsible for supplying electrical power to the vehicle's various systems, including the ignition system, lighting circuits, and accessories. Understanding how the battery connects to these systems is essential for diagnosing electrical issues and ensuring proper operation.The ignition system is another critical component of the 2005 Polaris Phoenix Wiring Diagram. This system is responsible for starting the vehicle and includes components such as the ignition switch, starter solenoid, and ignition coil. The wiring diagram shows how these components are connected and how they work together to start the engine.The lighting circuits are also essential components of the 2005 Polaris Phoenix Wiring Diagram. These circuits control the vehicle's headlights, taillights, brake lights, and turn signals. The wiring diagram illustrates how these circuits are connected to the battery and how they are controlled by the vehicle's switches and relays.Accessories such as winches, radios, and GPS systems are often added to off-road vehicles like the Polaris Phoenix. The 2005 Polaris Phoenix Wiring Diagram shows how these accessories are connected to the vehicle's electrical system and how they are controlled. This information is crucial for ensuring that these accessories are properly installed and function correctly.Understanding how to interpret the 2005 Polaris Phoenix Wiring Diagram is essential for troubleshooting electrical issues. Each line, symbol, and connection in the diagram represents a specific electrical component or pathway. By following these pathways, technicians can identify where the issue lies and how to fix it.Common wiring issues can occur in any vehicle, including the Polaris Phoenix. These issues can include short circuits, loose connections, and damaged wires. The 2005 Polaris Phoenix Wiring Diagram can help diagnose these issues by providing a roadmap of the vehicle's electrical system.When troubleshooting electrical issues in the 2005 Polaris Phoenix, it's essential to start with the basics. Check the vehicle's fuse box to ensure all fuses are intact. Inspect wires for any signs of damage, such as fraying or corrosion. Ensure all connections are tight and secure.Regular maintenance of the 2005 Polaris Phoenix is key to ensuring its electrical system remains in good working order. Refer to the wiring diagram to identify areas that may need attention, such as cleaning terminals or replacing worn-out components. This will help prevent issues and keep the vehicle running smoothly.Upgrading the electrical system of the 2005 Polaris Phoenix can enhance its performance and functionality. The wiring diagram provides a blueprint for adding new accessories or upgrading existing components. Whether adding a winch, upgrading lights, or installing a stereo system, the wiring diagram is a valuable resource.
Point of Views : 2005 polaris phoenix wiring diagram
  • Begin by obtaining a copy of the 2005 Polaris Phoenix Wiring Diagram for reference.
  • Identify the specific electrical component or system you are working on.
  • Locate the corresponding section of the wiring diagram that pertains to the component or system.
  • Study the diagram carefully, noting the symbols and connections used to represent the electrical layout.
  • Use a multimeter to test the continuity of wires and the functionality of components, if needed.
  • Refer to the wiring diagram to trace the electrical pathway and locate any potential issues.
  • If troubleshooting, follow the diagram's instructions to isolate the problem and determine the appropriate solution.
  • When making repairs or modifications, use the wiring diagram to ensure proper reconnection of wires and components.
  • After completing the work, refer back to the diagram to verify that all connections are correct and secure.
  • Keep the 2005 Polaris Phoenix Wiring Diagram for future reference or share it with others working on similar projects.
Conclusion :

In conclusion, the 2005 Polaris Phoenix Wiring Diagram is an indispensable tool for understanding and maintaining the electrical system of this off-road vehicle. Whether you're a seasoned technician or an enthusiastic DIYer, this diagram provides a detailed roadmap to navigate the complex network of wires and components within the Polaris Phoenix. By studying and interpreting the 2005 Polaris Phoenix Wiring Diagram, you can gain a deeper understanding of how the vehicle's electrical system works, enabling you to diagnose and troubleshoot issues with confidence.Additionally, the 2005 Polaris Phoenix Wiring Diagram serves as a valuable resource for anyone looking to upgrade or modify their vehicle's electrical system. Whether you're adding new accessories or upgrading existing components, this diagram provides a clear and concise guide to ensure that your modifications are successful. Overall, the 2005 Polaris Phoenix Wiring Diagram is a must-have tool for anyone who owns or works on these vehicles, offering invaluable insights into their electrical systems and empowering users to keep their Polaris Phoenix running smoothly for years to come.

Questions and Answer for 2005 polaris phoenix wiring diagram
  • What is a wiring diagram?
  • A wiring diagram is a detailed diagram that shows the electrical connections and wiring layout of an electrical system or circuit.

  • Why is a wiring diagram important?
  • A wiring diagram is important because it helps individuals understand how a system is wired and how components are connected, which is crucial for troubleshooting and making repairs.

  • Where can I find a wiring diagram for a 2005 Polaris Phoenix?
  • A wiring diagram for a 2005 Polaris Phoenix can be found in the vehicle's service manual or obtained from a reputable online source.

  • How do I read a wiring diagram?
  • To read a wiring diagram, start by identifying the components and their corresponding symbols. Then, trace the electrical pathways to understand how the system is wired.

  • Can I use a wiring diagram to install aftermarket accessories?
  • Yes, a wiring diagram can be used to install aftermarket accessories by providing guidance on how to properly wire and connect the accessories to the vehicle's electrical system.

Label :wiring diagram, Polaris Phoenix, 2005, electrical system

Keyword : 2005 polaris phoenix wiring diagram

0 komentar