2000 Suzuki Quadrunner Wiring Diagram: Master Your Ride's Electrical System

2000 Suzuki Quadrunner Wiring Diagram: Master Your Ride

Learn how to master the electrical system of your 2000 Suzuki Quadrunner with our comprehensive wiring diagram guide. Understand key components and connections for easy troubleshooting and customization.

Looking for a reliable 2000 Suzuki Quadrunner wiring diagram? This article is your comprehensive guide to understanding the intricate electrical systems of your Quadrunner. Whether you're troubleshooting an issue or planning modifications, a clear wiring diagram is essential for any DIY enthusiast or professional mechanic. Dive into the details of your Quadrunner's wiring setup, from the ignition system to lighting circuits, with step-by-step instructions and visual aids to ensure clarity. Uncover the key components and connections that power your Quadrunner, empowering you to maintain and customize your vehicle with confidence. Let's unravel the wiring mysteries of your 2000 Suzuki Quadrunner together.

Top 10 Points about 2000 suzuki quadrunner wiring diagram :

  • Understanding the Basics: Decoding Your Quadrunner's Wiring
  • Exploring the Ignition System: Key Components and Functions
  • Illuminate Your Ride: Shedding Light on Lighting Circuits
  • Powering Up: Unraveling the Battery and Charging System
  • Getting Grounded: Examining Grounding Points and Their Importance
  • Switch It On: Delving into Switches and Controls
  • Protecting Your Circuits: Insights into Fuses and Circuit Breakers
  • Wiring for Safety: Tips for Proper Insulation and Protection
  • Customization Made Easy: Adding Accessories to Your Wiring Setup
  • Diagnosing Issues: Troubleshooting Common Wiring Problems

Several facts about 2000 suzuki quadrunner wiring diagram

Understanding the Basics: Decoding Your Quadrunner's Wiring

Understanding the Basics: Decoding Your Quadrunner's Wiring

Before diving into the specifics of your 2000 Suzuki Quadrunner's wiring diagram, it's essential to understand the basics. Wiring diagrams are visual representations of the electrical system in your vehicle, showing how components are connected and powered. They use symbols to represent various components, such as batteries, switches, and wires, making it easier to understand the complex wiring layout of your Quadrunner.

Exploring the Ignition System: Key Components and Functions

Exploring the Ignition System: Key Components and Functions

One of the critical systems in your Quadrunner is the ignition system, responsible for starting your vehicle. The wiring diagram provides insight into the key components of the ignition system, such as the ignition switch, starter relay, and spark plugs. Understanding how these components work together can help you diagnose and fix ignition-related issues.

Illuminate Your Ride: Shedding Light on Lighting Circuits

Illuminate Your Ride: Shedding Light on Lighting Circuits

The lighting circuits in your Quadrunner are essential for visibility and safety. The wiring diagram details how the headlights, taillights, and indicators are connected and powered. It also includes information about switches and fuses related to the lighting system, helping you understand how to troubleshoot and repair lighting issues.

Powering Up: Unraveling the Battery and Charging System

Powering Up: Unraveling the Battery and Charging System

Your Quadrunner's battery and charging system are crucial for keeping it running smoothly. The wiring diagram provides insights into how the battery is connected to the alternator and other components. Understanding this system can help you diagnose charging issues and ensure your battery is properly maintained.

Getting Grounded: Examining Grounding Points and Their Importance

Getting Grounded: Examining Grounding Points and Their Importance

Grounding is essential for the proper functioning of your Quadrunner's electrical system. The wiring diagram shows where grounding points are located and how they are connected. Proper grounding ensures that electrical currents flow correctly and helps prevent electrical issues.

Switch It On: Delving into Switches and Controls

Switch It On: Delving into Switches and Controls

The switches and controls in your Quadrunner play a crucial role in operating various components. The wiring diagram provides details about the different switches, such as the ignition switch, lights switch, and kill switch. Understanding how these switches work can help you troubleshoot and fix issues related to them.

Protecting Your Circuits: Insights into Fuses and Circuit Breakers

Protecting Your Circuits: Insights into Fuses and Circuit Breakers

Fuses and circuit breakers are essential for protecting your Quadrunner's electrical system from damage due to electrical faults. The wiring diagram shows the location and ratings of fuses and circuit breakers, helping you understand how to protect your circuits and troubleshoot issues related to them.

Wiring for Safety: Tips for Proper Insulation and Protection

Wiring for Safety: Tips for Proper Insulation and Protection

Proper insulation and protection of wiring are crucial for ensuring the safety and longevity of your Quadrunner's electrical system. The wiring diagram provides tips on how to properly insulate and protect wires from damage, moisture, and other hazards, helping you maintain a safe and reliable electrical system.

Customization Made Easy: Adding Accessories to Your Wiring Setup

Customization Made Easy: Adding Accessories to Your Wiring Setup

Adding accessories to your Quadrunner can enhance its functionality and appearance. The wiring diagram provides guidance on how to properly add accessories, such as lights, winches, and radios, to your wiring setup. Understanding this can help you customize your Quadrunner to suit your needs and preferences.

Diagnosing Issues: Troubleshooting Common Wiring Problems

Diagnosing Issues: Troubleshooting Common Wiring Problems

Despite proper maintenance, wiring issues can occur in your Quadrunner. The wiring diagram provides insights into common wiring problems, such as shorts, open circuits, and faulty connections. Understanding these issues can help you diagnose and fix wiring problems efficiently, ensuring your Quadrunner

2000 suzuki quadrunner wiring diagram in Professional's eye

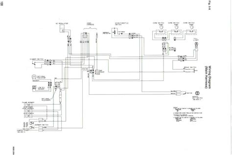
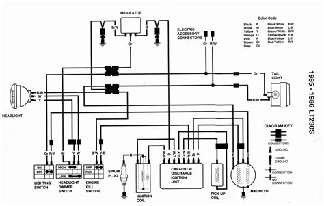
Wiring diagrams serve as invaluable tools in understanding the complex electrical systems of vehicles like the 2000 Suzuki Quadrunner. They provide a visual representation of the wiring layout, showing how various components are connected and powered. This diagram is essential for anyone performing maintenance, troubleshooting, or modifications on their Quadrunner.

The ignition system is a key component of any vehicle, including the Quadrunner. The wiring diagram for the 2000 Suzuki Quadrunner provides detailed information about how the ignition system is wired, including the ignition switch, starter relay, and spark plugs. Understanding this diagram can help diagnose and fix issues related to starting the Quadrunner.

Lighting circuits are critical for safety and visibility. The wiring diagram for the Quadrunner illuminates how the headlights, taillights, and indicators are connected and powered. It also includes information about switches and fuses related to the lighting system, aiding in troubleshooting and repair.

The battery and charging system are essential for keeping the Quadrunner running smoothly. The wiring diagram shows how the battery is connected to the alternator and other components, providing insights into diagnosing charging issues and ensuring proper battery maintenance.

Grounding points are crucial for the proper functioning of the electrical system. The wiring diagram identifies where grounding points are located and how they are connected, ensuring that electrical currents flow correctly and helping prevent electrical issues.

Switches and controls play a crucial role in operating various components of the Quadrunner. The wiring diagram provides details about different switches, such as the ignition switch, lights switch, and kill switch, aiding in troubleshooting and fixing issues related to them.

Fuses and circuit breakers protect the Quadrunner's electrical system from damage due to electrical faults. The wiring diagram shows the location and ratings of fuses and circuit breakers, aiding in protecting circuits and troubleshooting related issues.

Proper insulation and protection of wiring are crucial for ensuring safety and longevity of the electrical system. The wiring diagram provides tips on how to properly insulate and protect wires from damage, moisture, and other hazards, ensuring a safe and reliable electrical system.

Adding accessories to the Quadrunner can enhance its functionality and appearance. The wiring diagram provides guidance on how to properly add accessories, such as lights, winches, and radios, to the wiring setup, aiding in customizing the Quadrunner to suit individual needs.

Despite proper maintenance, wiring issues can occur in the Quadrunner. The wiring diagram provides insights into common wiring problems, such as shorts, open circuits, and faulty connections, aiding in diagnosing and fixing wiring problems efficiently.

Point of Views : 2000 suzuki quadrunner wiring diagram
  • Wiring diagrams are essential tools for understanding the electrical systems of vehicles like the 2000 Suzuki Quadrunner. They provide a visual representation of how components are connected and powered, making them crucial for maintenance, troubleshooting, and modifications.
  • The ignition system is a key focus of the wiring diagram. It details the wiring of components such as the ignition switch, starter relay, and spark plugs, aiding in diagnosing and fixing starting issues.
  • Lighting circuits are critical for safety and visibility. The wiring diagram shows how headlights, taillights, and indicators are connected and powered, helping in troubleshooting and repair.
  • The battery and charging system are vital for the Quadrunner's operation. The diagram illustrates how the battery is connected to the alternator and other components, assisting in diagnosing charging problems.
  • Grounding points ensure proper electrical system functioning. The wiring diagram identifies grounding points and their connections, preventing electrical issues.
  • Switches and controls are crucial for operating Quadrunner components. The diagram provides details on these switches, aiding in troubleshooting and repair.
  • Fuses and circuit breakers protect the electrical system. The diagram shows their locations and ratings, helping in protecting circuits and troubleshooting.
  • Proper insulation and protection of wiring are essential for safety. The wiring diagram provides tips on how to protect wires from damage, ensuring a safe electrical system.
  • Adding accessories can enhance the Quadrunner. The diagram offers guidance on adding accessories like lights and winches, customizing the vehicle.
  • Despite maintenance efforts, wiring issues can occur. The wiring diagram provides insights into common problems, aiding in diagnosing and fixing issues efficiently.
Conclusion :

Thank you for exploring the intricacies of the 2000 Suzuki Quadrunner wiring diagram with us. We hope this comprehensive guide has shed light on the electrical systems of your Quadrunner, empowering you to tackle maintenance and customization projects with confidence.

Remember, the wiring diagram is a powerful tool that can help you understand how various components of your Quadrunner are connected and powered. Whether you're troubleshooting an issue, adding accessories, or simply seeking to understand your vehicle better, the wiring diagram is your go-to resource. We encourage you to refer back to this guide whenever you need guidance on your Quadrunner's electrical system. Safe riding!

Questions and Answer for 2000 suzuki quadrunner wiring diagram

When it comes to the 2000 Suzuki Quadrunner Wiring Diagram, people often have various questions. Here are some common inquiries:

  • 1. What is a wiring diagram?
  • 2. How can I obtain a wiring diagram for my 2000 Suzuki Quadrunner?
  • 3. What information does the wiring diagram provide?
  • 4. How do I interpret the symbols and diagrams in the wiring diagram?
  • 5. Are there any common issues or troubleshooting tips related to the wiring diagram?

Answers to these questions:

  • 1. A wiring diagram is a visual representation of the electrical system of a vehicle, illustrating how various components are connected and powered.
  • 2. You can obtain a wiring diagram for your 2000 Suzuki Quadrunner from various sources, including official service manuals, online resources, or automotive repair shops.
  • 3. The wiring diagram provides detailed information about the ignition system, lighting circuits, battery and charging system, grounding points, switches and controls, fuses and circuit breakers, insulation and protection of wiring, adding accessories, and common wiring issues and troubleshooting tips.
  • 4. To interpret the symbols and diagrams in the wiring diagram, refer to the legend or key provided with the diagram, which explains the meaning of each symbol and line.
  • 5. Common issues related to the wiring diagram may include shorts, open circuits, faulty connections, or wiring damage. Troubleshooting tips may involve visually inspecting wiring, testing electrical components, and referring to the wiring diagram for guidance.

Label :Suzuki Quadrunner,

Keyword : 2000 suzuki quadrunner wiring diagram

0 komentar