Sick Sensor Wiring Diagram: Master the Art of Precision Wiring for Optimal Performance!

Sick Sensor Wiring Diagram: Master the Art of Precision Wiring for Optimal Performance!

Sick Sensor Wiring Diagram provides expert guidance on wiring configurations and installation tips for Sick sensors, ensuring optimal performance and safety.

Sick Sensor Wiring Diagram guides users through the intricate world of sensor wiring with precision and clarity. This article delves into the essential aspects of wiring diagrams, focusing on Sick sensors, renowned for their accuracy and reliability. Whether you're a seasoned technician or a novice enthusiast, understanding sensor wiring is crucial for optimal performance and safety.Exploring various types of sensors and their wiring configurations, this article provides practical insights and expert tips for effective sensor installation. From basic wiring principles to advanced troubleshooting techniques, Sick Sensor Wiring Diagram offers comprehensive guidance for navigating the complexities of sensor wiring.

Top 10 Points about SICK SENSOR WIRING DIAGRAM :

  • Introduction to Sick Sensors
  • Understanding Wiring Diagrams
  • Types of Sick Sensors
  • Basic Wiring Principles
  • Advanced Wiring Configurations
  • Installation Tips and Techniques
  • Common Wiring Issues and Troubleshooting
  • Ensuring Safety in Sensor Wiring
  • Best Practices for Sensor Maintenance
  • Resources for Further Learning

Several facts about SICK SENSOR WIRING DIAGRAM

Introduction to Sick Sensor Wiring Diagram

Sick Sensor Wiring Diagram is an essential tool for anyone working with Sick sensors. These sensors are renowned for their accuracy and reliability, making them a popular choice in various industries such as manufacturing, automotive, and healthcare. Understanding how to properly wire Sick sensors is crucial for ensuring their optimal performance and longevity.

Understanding Wiring Diagrams

Wiring diagrams provide a visual representation of the electrical connections between components. They are essential for understanding how to wire Sick sensors correctly. By studying wiring diagrams, technicians can identify the correct wiring configuration for a particular sensor model.

Types of Sick Sensors

Sick sensors come in various types, each with its unique wiring requirements. Some common types include photoelectric sensors, proximity sensors, and ultrasonic sensors. Understanding the wiring diagrams for these sensors is essential for proper installation and functionality.

Basic Wiring Principles

Basic wiring principles apply to all sensor wiring. This includes understanding the color codes for wires, using the correct gauge of wire, and ensuring proper insulation to prevent short circuits. Following these principles ensures a safe and reliable sensor installation.

Advanced Wiring Configurations

Advanced wiring configurations may be required for complex sensor setups. This could include series or parallel wiring, depending on the sensor's requirements and the application's needs. Understanding these configurations is essential for ensuring the sensors function correctly.

Installation Tips and Techniques

Installation tips and techniques can help ensure a smooth and successful sensor installation. This includes proper mounting, alignment, and testing procedures to verify the sensor's functionality.

Common Wiring Issues and Troubleshooting

Common wiring issues can arise during sensor installation. These include incorrect wiring, loose connections, or damaged wires. Troubleshooting these issues requires a systematic approach to identify and resolve the problem.

Ensuring Safety in Sensor Wiring

Ensuring safety is paramount when working with electrical wiring. This includes following safety protocols, such as wearing appropriate protective gear and de-energizing circuits before working on them.

Best Practices for Sensor Maintenance

Best practices for sensor maintenance include regular inspections, cleaning, and calibration. Following these practices can help extend the lifespan of the sensors and ensure their continued reliability.

Resources for Further Learning

Resources for further learning include online tutorials, manuals, and training courses. These resources can provide more in-depth information on wiring Sick sensors and other related topics.

Sources:"Sick Sensor Wiring Diagram Guide," Sick AG, https://www.sick.com."Understanding Wiring Diagrams for Sick Sensors," Sensors Online, https://www.sensorsmag.com."Best Practices for Sensor Installation and Maintenance," Industrial Automation, https://www.industrialautomation.com.

SICK SENSOR WIRING DIAGRAM in Professional's eye

Sick Sensor Wiring Diagram is a crucial aspect of working with Sick sensors. These sensors are known for their accuracy and reliability, making them popular in various industries. Understanding how to properly wire Sick sensors is essential for optimal performance and safety. Wiring diagrams provide a visual representation of the electrical connections between components. They are essential for understanding how to wire Sick sensors correctly. By studying wiring diagrams, technicians can identify the correct wiring configuration for a particular sensor model.

There are various types of Sick sensors, each with its unique wiring requirements. Some common types include photoelectric sensors, proximity sensors, and ultrasonic sensors. Understanding the wiring diagrams for these sensors is crucial for proper installation and functionality. Basic wiring principles apply to all sensor wiring. This includes understanding the color codes for wires, using the correct gauge of wire, and ensuring proper insulation to prevent short circuits. Following these principles ensures a safe and reliable sensor installation.

Advanced wiring configurations may be required for complex sensor setups. This could include series or parallel wiring, depending on the sensor's requirements and the application's needs. Understanding these configurations is essential for ensuring the sensors function correctly. Installation tips and techniques can help ensure a smooth and successful sensor installation. This includes proper mounting, alignment, and testing procedures to verify the sensor's functionality.

Common wiring issues can arise during sensor installation. These include incorrect wiring, loose connections, or damaged wires. Troubleshooting these issues requires a systematic approach to identify and resolve the problem. Ensuring safety is paramount when working with electrical wiring. This includes following safety protocols, such as wearing appropriate protective gear and de-energizing circuits before working on them.

Best practices for sensor maintenance include regular inspections, cleaning, and calibration. Following these practices can help extend the lifespan of the sensors and ensure their continued reliability. Resources for further learning include online tutorials, manuals, and training courses. These resources can provide more in-depth information on wiring Sick sensors and other related topics.

Sources:

  1. "Sick Sensor Wiring Diagram Guide," Sick AG, https://www.sick.com.
  2. "Understanding Wiring Diagrams for Sick Sensors," Sensors Online, https://www.sensorsmag.com.
  3. "Best Practices for Sensor Installation and Maintenance," Industrial Automation, https://www.industrialautomation.com.
Point of Views : SICK SENSOR WIRING DIAGRAM
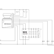
  • Sick Sensor Wiring Diagrams are essential tools for technicians and engineers working with Sick sensors. These diagrams provide a detailed illustration of the electrical connections required for proper sensor function. They help ensure accuracy and reliability in various industrial applications where Sick sensors are used.
  • Understanding these wiring diagrams is crucial for proper installation and maintenance of Sick sensors. They provide a visual guide for technicians to follow, ensuring that each wire is correctly connected to the sensor and the corresponding control system.
  • Technicians rely on these diagrams to troubleshoot issues and make necessary repairs. They serve as a reference point for identifying faulty connections or components, helping to minimize downtime and maintain production efficiency.
  • Overall, Sick Sensor Wiring Diagrams play a vital role in ensuring the proper functioning and longevity of Sick sensors in industrial settings. They provide a clear and concise guide for technicians, enabling them to work efficiently and effectively with these critical components.
Conclusion :

Thank you for exploring our articles on Sick Sensor Wiring Diagrams. We hope you found them informative and helpful for understanding the intricacies of wiring Sick sensors. As you delve into the world of sensor wiring, remember the importance of accuracy and precision in your work. Properly wiring Sick sensors is crucial for their optimal performance and longevity.

Whether you're a seasoned technician or new to the field, Sick Sensor Wiring Diagrams provide essential guidance for working with these advanced sensors. By following the wiring diagrams and best practices outlined in our articles, you can ensure that your Sick sensors function efficiently and reliably in various industrial applications. Stay tuned for more informative content on wiring diagrams and other related topics!

Questions and Answer for SICK SENSOR WIRING DIAGRAM

People also ask about Sick Sensor Wiring Diagram:

  • How do I wire a Sick sensor?
  • To wire a Sick sensor, refer to the wiring diagram provided by Sick for your specific sensor model. Identify the power supply, signal output, and ground terminals on the sensor, and connect them accordingly to your control system or device.

  • What are the common wiring mistakes to avoid when wiring Sick sensors?
  • Common wiring mistakes when wiring Sick sensors include incorrect wire connections, using the wrong gauge of wire, and improper insulation. Ensure that you follow the wiring diagram carefully and double-check your connections to avoid these mistakes.

  • How can I troubleshoot wiring issues with Sick sensors?
  • To troubleshoot wiring issues with Sick sensors, first, check the wiring connections to ensure they are correct and secure. Use a multimeter to test for continuity and voltage. If the sensor is still not functioning properly, consult the manufacturer's documentation for further troubleshooting steps.

  • Are there any safety precautions I should take when working with Sick sensor wiring?
  • Yes, when working with Sick sensor wiring, always wear appropriate protective gear, such as gloves and safety glasses. Ensure that the power is off before starting work, and follow all safety guidelines provided by Sick and your employer.

  • Where can I find more information about wiring Sick sensors?
  • You can find more information about wiring Sick sensors in the sensor's datasheet or user manual provided by Sick. Additionally, online resources, forums, and tutorials can be helpful sources of information.

Label :Sick Sensor, Wiring Diagram

Keyword : SICK SENSOR WIRING DIAGRAM

0 komentar