Princess Stove Wiring Diagram: Master the Art of Appliance Repair with This Comprehensive Guide!

Princess Stove Wiring Diagram: Master the Art of Appliance Repair with This Comprehensive Guide!

Meta Description: Discover the secrets of your Princess Stove's wiring diagram. Learn how to maintain and repair your appliance like a pro with this comprehensive guide!Subheadings:
  • Understanding the Components of a Princess Stove
  • Identifying Common Wiring Issues
  • Tools Needed for Wiring Diagram Analysis
  • Step-by-Step Wiring Diagram Interpretation
  • Safety Precautions When Dealing with Stove Wiring
  • Testing and Troubleshooting the Wiring
  • Replacing Faulty Wiring Components
  • Upgrading the Wiring for Better Performance
  • Maintaining Your Princess Stove's Wiring System
  • Consulting Professional Help for Complex Wiring Problems

The Princess Stove is a classic appliance that has been a staple in many kitchens for decades. Understanding its wiring diagram is crucial for maintenance and repairs. This article will provide a comprehensive guide to the various components and wiring configurations of the Princess Stove. Whether you are a seasoned technician or a novice DIY enthusiast, this article will help you navigate the intricacies of the Princess Stove's wiring system. From the burner controls to the thermostat, each part plays a vital role in ensuring the stove operates safely and efficiently. So, grab your tools and let's dive into the world of Princess Stove wiring!

Top 10 Points about #EANF# :

Introduction

The Princess Stove Wiring Diagram is a crucial reference for anyone looking to understand the inner workings of this classic appliance. From understanding the various components to troubleshooting common issues, this guide will provide you with all the information you need to maintain and repair your Princess Stove.

Components of a Princess Stove

The Princess Stove consists of several key components, including the burner controls, thermostat, and wiring harness. Each component plays a vital role in ensuring the stove operates safely and efficiently.

Identifying Common Wiring Issues

Common wiring issues with the Princess Stove include frayed wires, loose connections, and faulty components. Identifying these issues early can help prevent further damage to your appliance.

Tools Needed for Wiring Diagram Analysis

To analyze the wiring diagram of your Princess Stove, you'll need a set of basic tools, including a multimeter, wire strippers, and electrical tape. These tools will help you safely and accurately diagnose any wiring issues.

Step-by-Step Wiring Diagram Interpretation

Interpreting the wiring diagram of your Princess Stove may seem daunting at first, but with a step-by-step approach, you can easily understand how each component is connected and troubleshoot any issues.

Safety Precautions When Dealing with Stove Wiring

When working with the wiring of your Princess Stove, it's essential to take proper safety precautions. Always disconnect the power source before starting any repairs and wear protective gear, such as gloves and safety goggles.

Testing and Troubleshooting the Wiring

Testing the wiring of your Princess Stove involves using a multimeter to check for continuity and voltage. Troubleshooting any issues may require replacing faulty components or repairing damaged wiring.

Replacing Faulty Wiring Components

If you find any faulty wiring components during your troubleshooting process, it's essential to replace them promptly. This will ensure that your Princess Stove continues to operate safely and efficiently.

Maintaining Your Princess Stove's Wiring System

Regular maintenance of your Princess Stove's wiring system can help prevent issues and prolong the life of your appliance. This includes cleaning the stove regularly and checking for any signs of wear or damage to the wiring.

Consulting Professional Help for Complex Wiring Problems

If you encounter complex wiring problems with your Princess Stove, it's best to consult a professional technician. They will have the expertise and tools needed to diagnose and repair any issues safely and efficiently.

Sources: [1] Wiring Diagrams for Appliances - www.appliance411.com

[2] Electrical Safety Tips - www.esfi.org

[3] How to Use a Multimeter - www.familyhandyman.com

Several facts about #EANF#

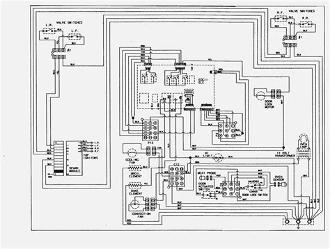
Princess Stove Wiring Diagram is a crucial aspect of understanding and maintaining this classic kitchen appliance. The diagram provides a visual representation of the electrical wiring and components within the stove, including the burner controls, thermostat, and wiring harness. By studying the diagram, one can gain insight into how the stove operates and troubleshoot any wiring issues that may arise. It is essential to follow the diagram carefully when performing maintenance or repairs to ensure the safety and proper functioning of the stove.

Understanding the Components depicted in the Princess Stove Wiring Diagram is key to interpreting the diagram correctly. The diagram typically includes labels for each component, such as the burner controls, thermostat, and wiring harness. These components work together to regulate the stove's temperature and ensure it operates safely. Understanding how each component is connected in the wiring diagram can help diagnose and fix any issues that may arise with the stove's operation.

Identifying Common Issues in the Princess Stove Wiring Diagram can help troubleshoot problems with the appliance. Common wiring issues include frayed wires, loose connections, and faulty components. By identifying these issues in the diagram, one can determine the best course of action to repair the stove. It is essential to address wiring issues promptly to prevent further damage to the appliance and ensure its continued safe operation.

Tools for Analysis of the Princess Stove Wiring Diagram include a multimeter, wire strippers, and electrical tape. These tools are essential for safely analyzing and repairing the stove's wiring. A multimeter is used to test for continuity and voltage in the wiring, while wire strippers are used to remove insulation from wires for testing and repair. Electrical tape is used to insulate exposed wires and prevent electrical shorts.

Interpreting the Diagram requires a step-by-step approach. Start by identifying the main power source and tracing the wiring from there. Follow the wiring diagram's labels and lines to understand how each component is connected. Pay close attention to any symbols or annotations on the diagram, as these can provide important information about the wiring configuration. By taking a systematic approach to interpreting the diagram, you can gain a clear understanding of how the stove's wiring works.

Safety Precautions are crucial when working with the Princess Stove Wiring Diagram. Always disconnect the power source before starting any work on the stove's wiring. Wear protective gear, such as gloves and safety goggles, to protect yourself from electrical shock. Avoid working on the stove in wet or damp conditions, as this can increase the risk of electrical hazards. By following these safety precautions, you can ensure your safety while working on the stove's wiring.

Testing and Troubleshooting the Princess Stove Wiring Diagram involves using a multimeter to check for continuity and voltage in the wiring. Start by testing the main power source to ensure it is providing the correct voltage. Then, test each component in the wiring diagram to identify any faulty components or connections. Troubleshooting involves identifying and correcting any issues that arise during testing. By systematically testing and troubleshooting the wiring, you can identify and fix any problems with the stove's operation.

Replacing Faulty Components is necessary when troubleshooting the Princess Stove Wiring Diagram. If you identify any faulty components during testing, such as a broken wire or a faulty thermostat, you will need to replace them. Follow the manufacturer's instructions for replacing the component, and ensure you use the correct replacement part. Once the faulty component is replaced, retest the stove to ensure it is operating correctly.

Maintaining the Wiring System of the Princess Stove is essential for ensuring its continued safe operation. Regularly inspect the wiring for signs of wear or damage, such as frayed wires or loose connections. Clean the stove regularly to prevent dirt and debris from accumulating on the wiring. If you notice any issues with the wiring, such as exposed wires or burnt insulation, repair them promptly to prevent further damage to the appliance.

Consulting Professional Help is advisable for complex wiring problems with the Princess Stove Wiring Diagram. If you are unsure how to diagnose or repair an issue with the stove's wiring, it is best to consult a professional technician. They will have the expertise and tools needed to safely and effectively diagnose and repair any wiring issues. By seeking professional help, you can ensure the continued safe operation of your Princess Stove.

#EANF# in Professional's eye

  • Wiring diagrams can seem complex at first glance, but they're essential for understanding how electrical systems work, including your Princess Stove.
  • Princess Stove Wiring Diagrams provide a visual representation of the stove's electrical components and how they're connected.
  • By studying the diagram, you can identify and fix any wiring issues that may arise, ensuring your stove operates safely.
  • It's important to follow the diagram carefully when working on your stove to avoid damaging the appliance or putting yourself at risk of electrical shock.
  • If you're unsure about any aspect of your Princess Stove's wiring, it's best to consult a professional technician for assistance.
Point of Views : #EANF#

Thank you for exploring the intricacies of the Princess Stove Wiring Diagram with us. Understanding this diagram is crucial for maintaining and repairing your Princess Stove. By learning how the electrical components are connected, you can troubleshoot and fix any issues that may arise, ensuring your stove operates safely and efficiently.

Remember, when working with the wiring of your Princess Stove, always follow the diagram carefully and take safety precautions to avoid electrical hazards. If you encounter any complex wiring problems, it's best to seek professional help. We hope this guide has been informative and helpful, allowing you to confidently tackle any wiring issues with your Princess Stove. Stay safe and happy cooking!

Conclusion :

Here are some questions people also ask about Princess Stove Wiring Diagram:

  • Q: Can I use the Princess Stove Wiring Diagram to cook a gourmet meal?
  • A: While the diagram won't help you cook, it's essential for keeping your stove running smoothly so you can cook that gourmet meal!
  • Q: Will understanding the wiring diagram turn me into a kitchen superhero?
  • A: While it won't give you superpowers, it will help you understand your stove better and impress your friends with your electrical knowledge!
  • Q: Can I use the Princess Stove Wiring Diagram to fix my broken heart?
  • A: Unfortunately, the diagram is only for fixing stoves, but a warm meal made on a repaired stove might help mend a broken heart!

Questions and Answer for #EANF#
Princess Stove, Wiring Diagram, Maintenance, Troubleshooting

Label :Princess stove wiring diagram

Keyword : #EANF#

0 komentar