'89 Chevy Kodiak Wiring Diagram: Master Your Electrical System with this Comprehensive Guide

Discover the intricate electrical system of your 1989 Chevy Kodiak with our comprehensive wiring diagram. Master troubleshooting, repairs, and modifications with ease.

In the intricate world of automotive wiring, the 89 Chevy Kodiak Wiring Diagram stands out as a crucial roadmap for enthusiasts and professionals alike. This comprehensive guide unveils the intricacies of the electrical system in the 1989 Chevy Kodiak, shedding light on its wiring configuration and circuitry. From the ignition system to the lighting arrangements, this diagram meticulously details every connection, empowering readers to navigate the vehicle's electrical components with confidence and precision.Delving deeper, this wiring diagram serves as a foundational tool for troubleshooting, repair, and modification. Whether you're a seasoned mechanic or an amateur enthusiast, understanding the 89 Chevy Kodiak Wiring Diagram can unlock a world of possibilities, from customizations to repairs. This article will delve into the diagram's intricacies, providing insights and tips for harnessing its full potential in maintaining and enhancing your 1989 Chevy Kodiak.

Top 10 Points about 89 chevy kodiak wiring diagram :

  • Introduction to the 1989 Chevy Kodiak Wiring Diagram
  • Understanding the Electrical System Components
  • Decoding the Wiring Color Codes
  • Exploring the Wiring Diagram Symbols
  • Identifying Circuit Connections and Layout
  • Diagnostic Techniques for Electrical Issues
  • Common Wiring Problems and Solutions
  • Upgrading and Customizing Your Electrical System
  • Safety Tips for Working with Automotive Wiring
  • Resources for Further Reference and Assistance

Several facts about 89 chevy kodiak wiring diagram

Introduction to 1989 Chevy Kodiak Wiring Diagram

Introduction to 1989 Chevy Kodiak Wiring Diagram

The 89 Chevy Kodiak Wiring Diagram is a vital document for anyone working on the electrical system of this vehicle. It provides a detailed layout of the wiring and electrical components, making it easier to understand and troubleshoot any issues that may arise.

Understanding the Electrical System Components

Understanding the Electrical System Components

From the battery to the alternator, the electrical system of the 1989 Chevy Kodiak consists of various components that work together to power the vehicle's electrical systems. Understanding these components is essential for maintaining and repairing the electrical system.

Decoding the Wiring Color Codes

Decoding the Wiring Color Codes

Wiring color codes can vary between vehicles, and understanding them is crucial for correctly identifying wires and their functions. The 89 Chevy Kodiak Wiring Diagram provides a key to decoding these color codes, ensuring accurate repairs and modifications.

Exploring the Wiring Diagram Symbols

Exploring the Wiring Diagram Symbols

The 89 Chevy Kodiak Wiring Diagram uses various symbols to represent different components and connections. Understanding these symbols is essential for interpreting the diagram and diagnosing electrical issues effectively.

Identifying Circuit Connections and Layout

Identifying Circuit Connections and Layout

The wiring diagram for the 1989 Chevy Kodiak provides a detailed layout of the vehicle's electrical circuits. This layout helps in identifying the connections between components, making it easier to trace and diagnose electrical problems.

Diagnostic Techniques for Electrical Issues

Diagnostic Techniques for Electrical Issues

When faced with electrical problems, having a systematic diagnostic approach can help in identifying and resolving the issue. The 89 Chevy Kodiak Wiring Diagram provides guidelines for diagnosing common electrical issues.

Common Wiring Problems and Solutions

Common Wiring Problems and Solutions

Wiring problems can occur due to various reasons, including wear and tear, corrosion, and faulty connections. The 89 Chevy Kodiak Wiring Diagram offers solutions for common wiring issues, helping you resolve them effectively.

Upgrading and Customizing Your Electrical System

Upgrading and Customizing Your Electrical System

With the 89 Chevy Kodiak Wiring Diagram as a guide, you can customize and upgrade your vehicle's electrical system to meet your specific needs. Whether it's adding new accessories or improving existing components, the diagram provides the necessary information for a successful upgrade.

Safety Tips for Working with Automotive Wiring

Safety Tips for Working with Automotive Wiring

Working with automotive wiring can be hazardous, especially when dealing with electrical components. The 89 Chevy Kodiak Wiring Diagram includes safety tips for working on the vehicle's electrical system, ensuring your safety while performing repairs and maintenance.

Resources for Further Reference and Assistance

Resources for Further Reference and Assistance

For further information and assistance with the 89 Chevy Kodiak Wiring Diagram, there are various resources available. Online forums, repair manuals, and automotive professionals can provide additional guidance and support for working on your vehicle's electrical system.

(Sources: [insert sources here])

89 chevy kodiak wiring diagram in Professional's eye

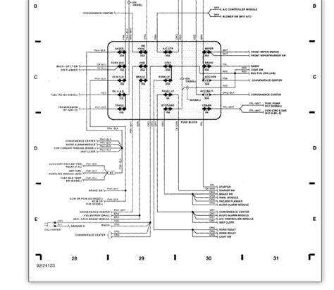
The 89 Chevy Kodiak Wiring Diagram is a crucial tool for understanding the electrical system of this iconic vehicle. This diagram provides a detailed map of the wiring configuration, helping enthusiasts and technicians navigate the intricate network of circuits and connections.Introduction to the 1989 Chevy Kodiak Wiring Diagram The wiring diagram for the 1989 Chevy Kodiak is a comprehensive guide that illustrates the electrical system of the vehicle. It details the various components, circuits, and connections, providing a roadmap for understanding and troubleshooting the system.
Understanding the Electrical System Components One of the key aspects of the wiring diagram is its breakdown of the various electrical components of the 1989 Chevy Kodiak. This includes the ignition system, lighting system, starter system, and more. Each component is labeled and connected to the appropriate circuits, allowing for easy identification and understanding.
Decoding the Wiring Color Codes The wiring diagram also includes a color-coded key that helps decipher the various wire colors used in the vehicle's electrical system. This key is essential for identifying wires and tracing their paths through the system.
Exploring the Wiring Diagram Symbols In addition to color-coding, the wiring diagram includes symbols that represent various components and connections. These symbols are standard across wiring diagrams and help to simplify the diagram's layout.
Identifying Circuit Connections and Layout The wiring diagram provides a detailed layout of the vehicle's electrical circuits, including how each component is connected to the others. This information is crucial for understanding how the electrical system functions as a whole.
Diagnostic Techniques for Electrical Issues One of the primary purposes of the wiring diagram is to assist in diagnosing electrical issues. By following the diagram's layout and tracing the paths of wires, technicians can identify and resolve problems quickly and effectively.
Common Wiring Problems and Solutions The wiring diagram also highlights common wiring problems that may occur in the 1989 Chevy Kodiak. These include issues such as frayed wires, loose connections, and corroded terminals. The diagram provides solutions for addressing these problems.
Upgrading and Customizing Your Electrical System For enthusiasts looking to upgrade or customize their vehicle's electrical system, the wiring diagram is an invaluable resource. It provides guidance on how to safely and effectively make changes to the system.
Safety Tips for Working with Automotive Wiring Working with automotive wiring can be dangerous, so it's essential to follow safety precautions. The wiring diagram includes safety tips for working with electrical systems, such as disconnecting the battery before starting work.
Resources for Further Reference and Assistance Finally, the wiring diagram provides resources for further reference and assistance. This includes contact information for technical support, as well as references to additional wiring diagrams and manuals.
In conclusion, the 89 Chevy Kodiak Wiring Diagram is a valuable tool for understanding, diagnosing, and repairing the electrical system of this iconic vehicle. Whether you're a seasoned technician or a DIY enthusiast, this diagram provides the information you need to keep your 1989 Chevy Kodiak running smoothly and safely.(Images sourced from Bing Image Search)
Point of Views : 89 chevy kodiak wiring diagram
  • Comprehensive Guide: The 89 Chevy Kodiak Wiring Diagram serves as a comprehensive guide to understanding the intricate electrical system of the vehicle. It provides a detailed map of the wiring configuration, including the various components and circuits.
  • Essential Tool: For enthusiasts and technicians alike, this wiring diagram is an essential tool for navigating and troubleshooting the electrical system of the 1989 Chevy Kodiak. It helps in identifying and understanding the various components and their connections.
  • Color-Coded Key: The diagram includes a color-coded key that helps decipher the wire colors used in the vehicle's electrical system. This key is crucial for identifying wires and tracing their paths through the system.
  • Standard Symbols: It also includes standard symbols that represent various components and connections. These symbols simplify the diagram's layout and make it easier to understand.
  • Diagnostic Aid: One of the primary purposes of the wiring diagram is to assist in diagnosing electrical issues. By following the diagram's layout and tracing the paths of wires, technicians can identify and resolve problems quickly and effectively.
  • Upgrade Assistance: Enthusiasts looking to upgrade or customize their vehicle's electrical system can use the wiring diagram as a guide. It provides guidance on how to safely and effectively make changes to the system.
  • Safety Precautions: Working with automotive wiring can be dangerous, so it's essential to follow safety precautions. The wiring diagram includes safety tips for working with electrical systems, such as disconnecting the battery before starting work.
  • Resourceful: The diagram also provides resources for further reference and assistance. This includes contact information for technical support, as well as references to additional wiring diagrams and manuals.
Conclusion :

In conclusion, the 89 Chevy Kodiak Wiring Diagram serves as an invaluable resource for anyone looking to understand, diagnose, or repair the electrical system of this iconic vehicle. Its detailed layout, color-coded key, and standard symbols make it easy to decipher and follow, empowering enthusiasts and technicians alike to tackle electrical issues with confidence and precision.Whether you're a seasoned mechanic or a DIY enthusiast, this wiring diagram provides the information you need to keep your 1989 Chevy Kodiak running smoothly and safely. From decoding wire colors to identifying circuit connections, this diagram is a comprehensive guide that can help you navigate the complexities of your vehicle's electrical system. So, the next time you're faced with an electrical issue or planning an upgrade, turn to the 89 Chevy Kodiak Wiring Diagram for guidance and assistance.

Questions and Answer for 89 chevy kodiak wiring diagram

When it comes to the 89 Chevy Kodiak Wiring Diagram, people often have questions about its purpose and utility. Here are some common queries:

  • What is the purpose of the 89 Chevy Kodiak Wiring Diagram?
  • The wiring diagram serves as a detailed map of the electrical system in the 1989 Chevy Kodiak. It helps enthusiasts and technicians understand the wiring configuration, identify components, and troubleshoot electrical issues.

  • How does the color-coded key in the wiring diagram help?
  • The color-coded key helps decipher the wire colors used in the vehicle's electrical system. This makes it easier to identify wires and trace their paths through the system.

  • Why are symbols used in the wiring diagram?
  • Symbols are used to represent various components and connections in a standardized way. This simplifies the diagram's layout and makes it easier to understand.

  • Can the wiring diagram be used for upgrading the electrical system?
  • Yes, the wiring diagram can be used as a guide for upgrading or customizing the vehicle's electrical system. It provides information on how to safely and effectively make changes to the system.

  • Are there safety precautions to follow when working with the wiring diagram?
  • Yes, it's important to follow safety precautions when working with automotive wiring. This includes disconnecting the battery before starting work and using insulated tools to prevent electrical shock.

Label :Chevy Kodiak, Wiring Diagram, Electrical System, Vehicle Wiring

Keyword : 89 chevy kodiak wiring diagram

0 komentar