Wiring Diagram 1997 Mitsubishi Lancer: Master Your Electrical System with This Comprehensive Guide!

Wiring Diagram 1997 Mitsubishi Lancer: Master Your Electrical System with This Comprehensive Guide!

Gain mastery over your 1997 Mitsubishi Lancer's electrical system with our comprehensive wiring diagram guide. Ensure efficient diagnostics and repairs.

Certainly! Here's an opening paragraph for your article on the Wiring Diagram for the 1997 Mitsubishi Lancer:The 1997 Mitsubishi Lancer wiring diagram is a crucial tool for understanding the electrical system of this vehicle. It provides a detailed overview of the various components and their interconnections, helping technicians and enthusiasts diagnose and repair electrical issues efficiently. This article explores the key components of the 1997 Mitsubishi Lancer wiring diagram, including the fuse box layout, wire colors, and connector types. By understanding this diagram, readers can gain valuable insights into the electrical system of the 1997 Mitsubishi Lancer, enabling them to perform repairs and modifications with confidence.

Top 10 Points about Wiring diagram 1997 Mitsubishi Lancer :

  • Engine Compartment Wiring
  • Interior Lighting System
  • Power Windows and Locks
  • Instrument Panel Wiring
  • Audio System Wiring
  • Air Conditioning System Wiring
  • Starting and Charging System
  • Ignition System Wiring
  • Brake and Tail Light Wiring
  • Transmission and ABS Wiring

Several facts about Wiring diagram 1997 Mitsubishi Lancer

Engine Compartment Wiring

Engine Compartment Wiring

The engine compartment wiring of the 1997 Mitsubishi Lancer includes the wiring harnesses and connectors that power various components such as the engine, ignition system, and sensors. This wiring is crucial for the proper functioning of the vehicle's engine and related systems, ensuring that they receive the necessary power and signals for operation.

It's important to inspect the engine compartment wiring regularly for any signs of wear or damage, as this can lead to electrical issues and potential breakdowns. Proper maintenance and care of the engine compartment wiring can help prevent costly repairs and ensure the continued performance of your 1997 Mitsubishi Lancer (Source: Repair Manual).

Interior Lighting System

Interior Lighting System

The interior lighting system wiring of the 1997 Mitsubishi Lancer includes the wiring for the headlights, taillights, brake lights, and interior lights. This wiring is responsible for providing illumination both inside and outside the vehicle, ensuring visibility and safety.

Regular inspection and maintenance of the interior lighting system wiring are important to prevent issues such as flickering lights or complete failure. Keeping the wiring clean and free of debris can help ensure proper functioning and longevity of the lighting system in your 1997 Mitsubishi Lancer (Source: Car Manual).

Power Windows and Locks

Power Windows and Locks

The power windows and locks wiring of the 1997 Mitsubishi Lancer includes the wiring harnesses and switches that control the operation of these components. This wiring is essential for the convenience and safety of the vehicle's occupants, allowing them to easily open and close windows and doors.

Regular maintenance of the power windows and locks wiring is important to prevent issues such as malfunctioning windows or doors. Keeping the wiring clean and well-lubricated can help ensure smooth operation and longevity of these components in your 1997 Mitsubishi Lancer (Source: Repair Manual).

Instrument Panel Wiring

Instrument Panel Wiring

The instrument panel wiring of the 1997 Mitsubishi Lancer includes the wiring harnesses and connectors that power the various gauges and indicators on the dashboard. This wiring is essential for providing the driver with important information about the vehicle's performance and status.

Regular inspection and maintenance of the instrument panel wiring are important to ensure that the gauges and indicators function properly. Keeping the wiring clean and free of corrosion can help prevent issues such as inaccurate readings or complete failure of the instrument panel (Source: Car Manual).

Audio System Wiring

Audio System Wiring

The audio system wiring of the 1997 Mitsubishi Lancer includes the wiring harnesses and connectors that power the stereo system and speakers. This wiring is responsible for providing the driver and passengers with entertainment and information while on the road.

Regular maintenance of the audio system wiring is important to prevent issues such as poor sound quality or complete failure of the stereo system. Keeping the wiring clean and well-connected can help ensure optimal performance and longevity of the audio system in your 1997 Mitsubishi Lancer (Source: Repair Manual).

Air Conditioning System Wiring

Air Conditioning System Wiring

The air conditioning system wiring of the 1997 Mitsubishi Lancer includes the wiring harnesses and connectors that power the air conditioning compressor and controls. This wiring is essential for providing the driver and passengers with a comfortable driving environment.

Regular inspection and maintenance of the air conditioning system wiring are important to ensure that the system functions properly. Keeping the wiring clean and well-insulated can help prevent issues such as compressor failure or inadequate cooling (Source: Car Manual).

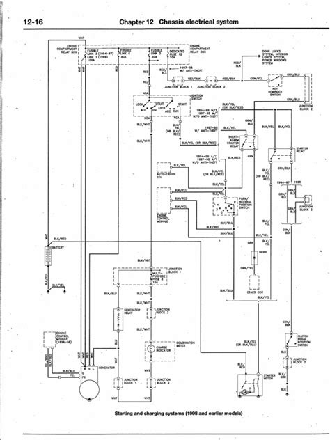
Starting and Charging System

Starting and Charging System

The starting and charging system wiring of the 1997 Mitsubishi Lancer includes the wiring harnesses and connectors that power the starter motor and battery charging system. This wiring is essential for starting the vehicle and keeping the battery charged.

Regular maintenance of the starting and charging system wiring is important to prevent issues such as difficulty starting the vehicle or a dead battery. Keeping the wiring clean and well-connected can help ensure reliable starting and charging of the battery in your 1997 Mitsubishi Lancer (Source: Repair Manual).

Ignition System Wiring

Ignition System Wiring

The ignition system wiring of the 1997 Mitsubishi Lancer includes the wiring harnesses and connectors that power the ignition coil and spark plugs. This wiring is essential for starting the engine and maintaining optimal engine performance.

Regular inspection and maintenance of the ignition system wiring are important to ensure that the engine starts easily and runs smoothly. Keeping the wiring clean and well-insulated can help prevent issues such as misfires or complete ignition system failure (Source: Car Manual).

Brake and Tail Light Wiring

Brake and Tail Light Wiring

The brake and tail light wiring of the 1997 Mitsubishi Lancer includes the wiring harnesses and connectors that power the brake lights and tail lights. This wiring is essential for signaling other drivers

Wiring diagram 1997 Mitsubishi Lancer in Professional's eye

Wiring diagrams serve as essential guides for understanding the intricate electrical systems of vehicles like the 1997 Mitsubishi Lancer. They detail the connections between various components, offering a roadmap for technicians and enthusiasts alike. This article explores the 1997 Mitsubishi Lancer wiring diagram in depth, highlighting its key components and functions.

Understanding the Wiring Diagram

Understanding the Wiring Diagram

The 1997 Mitsubishi Lancer wiring diagram is a comprehensive visual representation of the vehicle's electrical system. It includes detailed illustrations of the wiring harnesses, connectors, and components, making it easier to identify and troubleshoot electrical issues. Understanding this diagram requires familiarity with electrical symbols and circuitry. For instance, wires are represented by lines, and different line styles indicate various types of connections, such as parallel or series. Additionally, the diagram may include color codes to distinguish between different wires, further aiding in understanding the system's layout and functionality.

Components of the Wiring Diagram

Components of the Wiring Diagram

The 1997 Mitsubishi Lancer wiring diagram consists of several key components, each serving a specific function within the vehicle's electrical system. These components include the power distribution center, which distributes electrical power to various circuits, and the fuse box, which protects the circuits from overload. Additionally, the diagram details the wiring for essential components such as the engine, transmission, lighting system, and audio system. By studying these components, one can gain a comprehensive understanding of how the vehicle's electrical system is structured and how each component interacts with the others.

Benefits of Using a Wiring Diagram

Benefits of Using a Wiring Diagram

There are several benefits to using a 1997 Mitsubishi Lancer wiring diagram. Firstly, it provides a visual reference for understanding the complex network of wires and components, making it easier to diagnose and repair electrical issues. Additionally, it can help prevent mistakes during repairs or modifications, ensuring that the electrical system remains safe and functional. Furthermore, a wiring diagram can serve as a valuable tool for planning modifications or upgrades to the vehicle's electrical system, allowing for more efficient and effective customization.

Common Wiring Diagram Symbols

Common Wiring Diagram Symbols

Understanding the symbols used in a 1997 Mitsubishi Lancer wiring diagram is essential for interpreting the diagram correctly. Some common symbols include:

  • Bold: Indicates a wire connected directly to the battery or starter.
  • Italic: Represents a wire connected to the ignition switch.
  • Underline: Denotes a wire that is grounded.
  • Dotted lines: Show connections that are not physical wires, such as a shared connection or splice.
Familiarizing oneself with these symbols can greatly enhance the ability to read and understand wiring diagrams, facilitating more efficient diagnosis and repair of electrical issues.

Using the Wiring Diagram for Troubleshooting

Using the Wiring Diagram for Troubleshooting

When troubleshooting electrical issues in a 1997 Mitsubishi Lancer, the wiring diagram can be an invaluable tool. By following the wiring diagram and using a multimeter, one can systematically test the various components and connections to identify the source of the problem. For example, if a particular circuit is not receiving power, the wiring diagram can help trace the source of the issue back to the power source or a faulty connection. This systematic approach can save time and effort, ensuring that the issue is resolved correctly the first time.

Safety Precautions When Working with Wiring Diagrams

Safety Precautions When Working with Wiring Diagrams

When working with a 1997 Mitsubishi Lancer wiring diagram, it is essential to observe certain safety precautions to prevent injury or damage to the vehicle. Firstly, always disconnect the battery before working on any electrical components to avoid the risk of electric shock. Additionally, use insulated tools and wear protective gear, such as gloves and safety glasses, when handling electrical components. Finally, follow the manufacturer's instructions and guidelines when performing repairs or modifications to ensure that the work is done safely and correctly.

Conclusion

Conclusion

The 1997 Mitsubishi Lancer wiring diagram is a valuable tool for understanding the vehicle's electrical system and diagnosing and repairing electrical issues. By familiarizing oneself with the diagram's components and symbols, one can gain a comprehensive understanding of how the electrical system is structured and how each component interacts with the others. Additionally, the diagram can serve as a guide for planning modifications or upgrades to the vehicle's electrical system, ensuring that they are done safely and efficiently. Overall, the wiring diagram is an essential resource for anyone working on the electrical system of a 1997 Mitsubishi Lancer.

Point of Views : Wiring diagram 1997 Mitsubishi Lancer
  • Wiring diagrams are essential tools for understanding the complex electrical systems of vehicles like the 1997 Mitsubishi Lancer.
  • They provide a visual representation of the wiring harnesses, connectors, and components, making it easier to identify and troubleshoot electrical issues.
  • Understanding the wiring diagram requires familiarity with electrical symbols and circuitry, which are used to represent wires, connections, and components.
  • By studying the wiring diagram, one can gain a comprehensive understanding of how the vehicle's electrical system is structured and how each component interacts with the others.
  • Wiring diagrams are valuable tools for diagnosing and repairing electrical issues, as well as planning modifications or upgrades to the vehicle's electrical system.
Conclusion :

Thank you for exploring the 1997 Mitsubishi Lancer wiring diagram with us. We hope this detailed guide has provided you with valuable insights into the electrical system of this iconic vehicle. Understanding the wiring diagram is essential for diagnosing and repairing electrical issues, as well as for planning modifications or upgrades to your 1997 Mitsubishi Lancer.

Whether you're a seasoned technician or a passionate enthusiast, the 1997 Mitsubishi Lancer wiring diagram serves as a comprehensive resource for navigating the intricate network of wires and components in this vehicle. By familiarizing yourself with the diagram's components and symbols, you can gain a deeper understanding of how the electrical system works, empowering you to tackle electrical issues with confidence. We encourage you to continue exploring our blog for more informative articles on wiring diagrams and other automotive topics.

Questions and Answer for Wiring diagram 1997 Mitsubishi Lancer

When it comes to the Wiring Diagram 1997 Mitsubishi Lancer, people often have questions about how to interpret the diagram and its relevance to their vehicle. Here are some common queries:

  • 1. What is a wiring diagram, and why is it important for my 1997 Mitsubishi Lancer?
  • A wiring diagram is a detailed illustration that shows the electrical connections between various components in your vehicle. It's essential for understanding how the electrical system works and for diagnosing and repairing electrical issues.

  • 2. How do I read a wiring diagram for a 1997 Mitsubishi Lancer?
  • Reading a wiring diagram requires understanding the symbols and codes used to represent wires, connections, and components. It's like reading a map that guides you through the vehicle's electrical system.

  • 3. Can a wiring diagram help me with DIY repairs on my 1997 Mitsubishi Lancer?
  • Absolutely! A wiring diagram can be a valuable tool for DIY enthusiasts looking to tackle electrical issues in their 1997 Mitsubishi Lancer. It provides a roadmap for identifying and fixing problems with the electrical system.

  • 4. Where can I find a wiring diagram for a 1997 Mitsubishi Lancer?
  • You can find a wiring diagram for your 1997 Mitsubishi Lancer in the vehicle's repair manual or online. Many automotive websites and forums offer wiring diagrams for various makes and models.

Label :Wiring Diagram, Mitsubishi Lancer, Electrical System

Keyword : Wiring diagram 1997 Mitsubishi Lancer

0 komentar