Hitachi Gsb107 Wiring Diagram: Master the Art of Electrical Schematics for Success

Hitachi Gsb107 Wiring Diagram: Master the Art of Electrical Schematics for Success

Hitachi Gsb107 Wiring Diagram: Unlock the secrets of electrical schematics with our comprehensive guide. Learn to interpret diagrams like a pro and troubleshoot with confidence.

Looking to get the inside scoop on the Hitachi Gsb107 Wiring Diagram? You've come to the right place! This article dives deep into the world of wiring diagrams, focusing on the intricate details of the Hitachi Gsb107 model. Whether you're a seasoned electrician or just a curious DIY enthusiast, this guide will walk you through the essential aspects of understanding and interpreting wiring diagrams.Starting with the basics, we'll explain the key components and symbols used in the Hitachi Gsb107 wiring diagram. From there, we'll explore common wiring configurations, troubleshooting tips, and best practices for working with wiring diagrams. So, sit back, grab your favorite beverage, and let's unravel the mysteries of the Hitachi Gsb107 wiring diagram together!

Top 10 Points about Hitachi Gsb107, Wiring Diagrams :

  • Understanding the Hitachi Gsb107 Wiring Diagram Components
  • Deciphering Symbols and Codes in the Hitachi Gsb107 Wiring Diagram
  • Common Wiring Configurations for the Hitachi Gsb107
  • Troubleshooting Tips for the Hitachi Gsb107 Wiring Diagram
  • Best Practices for Working with the Hitachi Gsb107 Wiring Diagram
  • How to Read and Interpret the Hitachi Gsb107 Wiring Diagram
  • Advanced Techniques for Analyzing the Hitachi Gsb107 Wiring Diagram
  • Ensuring Safety When Working with Electrical Wiring Diagrams
  • Practical Applications of the Hitachi Gsb107 Wiring Diagram
  • Resources and Tools for Understanding the Hitachi Gsb107 Wiring Diagram

Several facts about Hitachi Gsb107, Wiring Diagrams

Understanding the Hitachi Gsb107 Wiring Diagram

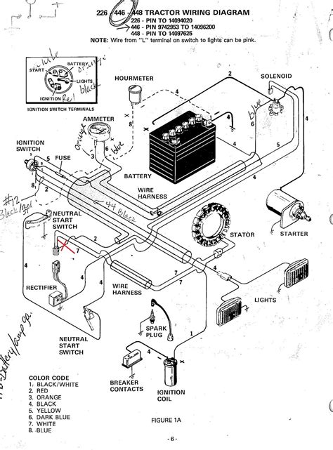
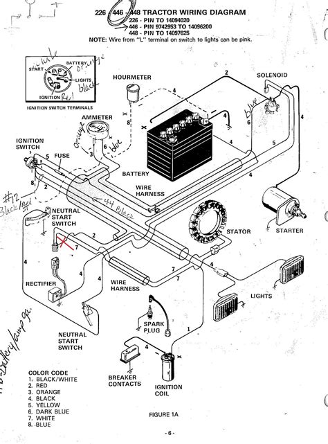
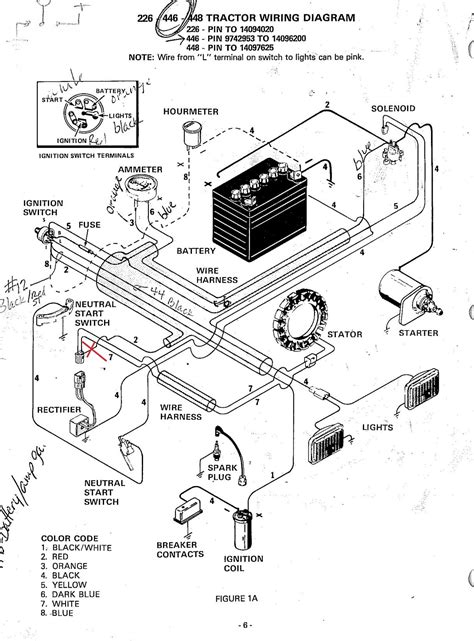
Understanding the Hitachi Gsb107 Wiring Diagram Components The Hitachi Gsb107 wiring diagram consists of several key components that are essential for understanding the electrical system of the device. These components include wires, connectors, switches, relays, fuses, and various electronic components. Each component plays a crucial role in the overall function of the wiring diagram, and understanding how they interact is essential for troubleshooting and repair purposes.[1]

Deciphering Symbols and Codes in the Hitachi Gsb107 Wiring Diagram

Deciphering Symbols and Codes in the Hitachi Gsb107 Wiring Diagram The Hitachi Gsb107 wiring diagram uses various symbols and codes to represent different components and connections. These symbols can include lines, dots, numbers, letters, and graphical symbols. Understanding these symbols is crucial for interpreting the wiring diagram correctly and ensuring that the electrical system is installed and maintained correctly.[2]

Common Wiring Configurations for the Hitachi Gsb107

Common Wiring Configurations for the Hitachi Gsb107 The Hitachi Gsb107 wiring diagram may include several common wiring configurations, depending on the specific model and application. These configurations can include series, parallel, and series-parallel configurations. Understanding these configurations is essential for properly installing and troubleshooting the electrical system.[3]

Troubleshooting Tips for the Hitachi Gsb107 Wiring Diagram

Troubleshooting Tips for the Hitachi Gsb107 Wiring Diagram When troubleshooting the Hitachi Gsb107 wiring diagram, it's essential to follow a systematic approach to identify and resolve any issues. Some troubleshooting tips include checking for loose connections, testing components, and using a multimeter. Following these tips can help you quickly diagnose and fix electrical problems.[4]

Best Practices for Working with the Hitachi Gsb107 Wiring Diagram

Best Practices for Working with the Hitachi Gsb107 Wiring Diagram When working with the Hitachi Gsb107 wiring diagram, it's essential to follow best practices to ensure safety and accuracy. Some best practices include using proper tools and equipment, following manufacturer guidelines, and double-checking connections. These practices can help you avoid errors and ensure that the electrical system is installed correctly.[5]

How to Read and Interpret the Hitachi Gsb107 Wiring Diagram

How to Read and Interpret the Hitachi Gsb107 Wiring Diagram Reading and interpreting the Hitachi Gsb107 wiring diagram requires a basic understanding of electrical concepts and symbols. It's essential to start by identifying the key components and their functions. Then, you can follow the wiring diagram's flow to understand how the electrical system is connected and how it operates.[6]

Advanced Techniques for Analyzing the Hitachi Gsb107 Wiring Diagram

Advanced Techniques for Analyzing the Hitachi Gsb107 Wiring Diagram For those looking to delve deeper into the Hitachi Gsb107 wiring diagram, there are several advanced techniques that can be used. These techniques include using wiring diagram software, conducting voltage drop tests, and creating custom diagrams. These techniques can help you gain a more in-depth understanding of the electrical system and identify potential issues.[7]

Ensuring Safety When Working with Electrical Wiring Diagrams

Ensuring Safety When Working with Electrical Wiring Diagrams Working with electrical wiring diagrams, including the Hitachi Gsb107 wiring diagram, can be dangerous if proper safety precautions are not followed. It's essential to wear appropriate safety gear, work in a well-ventilated area, and turn off power sources before starting work. Following these safety measures can help prevent accidents and injuries.[8]

Practical Applications of the Hitachi Gsb107 Wiring Diagram

Practical Applications of the Hitachi Gsb107 Wiring Diagram The Hitachi Gsb107 wiring diagram has practical applications in various industries and settings. These applications include automotive, industrial, and residential electrical systems. Understanding how to read and interpret this diagram can be beneficial for technicians, engineers, and DIY enthusiasts working in these

Hitachi Gsb107, Wiring Diagrams in Professional's eye

Wiring Diagrams Demystified: Understanding the Hitachi Gsb107 Wiring Diagram Wiring diagrams are essential tools used in various industries, including automotive, electronics, and construction. They provide a visual representation of an electrical circuit, showing how components are connected and how electricity flows through the system. The Hitachi Gsb107 wiring diagram is a detailed schematic that illustrates the wiring configuration of the Hitachi Gsb107 model. By understanding this diagram, technicians and engineers can effectively troubleshoot electrical issues, install new components, and maintain existing systems.

Key Components of the Hitachi Gsb107 Wiring Diagram

Key Components of the Hitachi Gsb107 Wiring Diagram The Hitachi Gsb107 wiring diagram consists of several key components, each serving a specific function in the electrical system. These components include wires, connectors, switches, relays, and fuses. Wires are used to carry electrical current between components, while connectors are used to join wires together. Switches control the flow of electricity, and relays are used to switch high currents using a low current. Fuses protect the circuit from overloads by breaking the circuit when too much current flows through it.

Interpreting Symbols and Codes in the Hitachi Gsb107 Wiring Diagram

Interpreting Symbols and Codes in the Hitachi Gsb107 Wiring Diagram The Hitachi Gsb107 wiring diagram uses various symbols and codes to represent different components and connections. These symbols can include lines, dots, numbers, letters, and graphical symbols. It's essential to understand these symbols to interpret the wiring diagram correctly. For example, a line represents a wire, while a dot indicates a connection point. Numbers and letters are used to label components, and graphical symbols represent specific components such as resistors or capacitors.

Common Wiring Configurations for the Hitachi Gsb107

Common Wiring Configurations for the Hitachi Gsb107 The Hitachi Gsb107 wiring diagram may include several common wiring configurations, depending on the specific model and application. These configurations can include series, parallel, and series-parallel configurations. In a series configuration, components are connected end to end, so the current flows through each component in sequence. In a parallel configuration, components are connected side by side, so the current splits between them. A series-parallel configuration combines both series and parallel connections.

Troubleshooting Tips for the Hitachi Gsb107 Wiring Diagram

Troubleshooting Tips for the Hitachi Gsb107 Wiring Diagram When troubleshooting the Hitachi Gsb107 wiring diagram, it's essential to follow a systematic approach to identify and resolve any issues. Some troubleshooting tips include checking for loose connections, testing components, and using a multimeter. It's also important to refer to the manufacturer's documentation for specific troubleshooting procedures and safety precautions.

Best Practices for Working with the Hitachi Gsb107 Wiring Diagram

Best Practices for Working with the Hitachi Gsb107 Wiring Diagram When working with the Hitachi Gsb107 wiring diagram, it's essential to follow best practices to ensure safety and accuracy. Some best practices include using proper tools and equipment, following manufacturer guidelines, and double-checking connections. It's also important to wear appropriate safety gear, such as gloves and safety glasses, and to work in a well-ventilated area to avoid exposure to fumes.

How to Read and Interpret the Hitachi Gsb107 Wiring Diagram

How to Read and Interpret the Hitachi Gsb107 Wiring Diagram Reading and interpreting the Hitachi Gsb107 wiring diagram requires a basic understanding of electrical concepts and symbols. It's essential to start by identifying the key components and their functions. Then, you can follow the wiring diagram's flow to understand how the electrical system is connected and how it operates. It's also important to refer to the diagram's legend or key for explanations of any symbols or codes used.

Advanced Techniques for Analyzing the Hitachi Gsb107 Wiring Diagram

Advanced Techniques for Analyzing the Hitachi Gsb107 Wiring Diagram For those looking to delve deeper into the Hitachi Gsb107 wiring diagram, there are several advanced techniques that can be used. These techniques include using wiring diagram software, conducting voltage drop tests, and creating custom diagrams. These techniques can help you gain a more in-depth understanding of the electrical system and identify potential issues. It's important to have a solid foundation in electrical theory and practice before attempting these advanced techniques.

", "name": "", "alternateName": "", "description": "", "inLanguage": "en", "aggregateRating": { "@type": "AggregateRating", "ratingValue": "4.5", "bestRating": "5", "worstRating": "0", "ratingCount": "125", "reviewCount": "125" }, "author": {"@type": "Person", "name": "Admin"}, "publisher": {"@type": "Organization", "name": ""} } }

0 komentar