Alpha Motorhome Wiring Diagram 2005: Mastering the Power of Electrical Harmony

Alpha Motorhome Wiring Diagram 2005: Mastering the Power of Electrical Harmony

Alpha Motorhome Wiring Diagram 2005: Uncover the intricacies of your vehicle's electrical system, empowering you to troubleshoot and maintain it with confidence.

In the intricate web of wires that power our modern conveniences, the Alpha Motorhome Wiring Diagram 2005 stands as a blueprint to understanding the intricate dance of electricity. Like a conductor guiding a symphony, this diagram orchestrates the flow of energy throughout the vehicle, ensuring each component operates harmoniously. From the spark of ignition to the illumination of headlights, every connection serves a crucial role in this electrical ballet.Stepping into the world of wiring diagrams, we unravel the mystery behind these intricate diagrams, revealing the complex network that keeps our motorhomes running smoothly. With a focus on clarity and precision, we dissect the Alpha Motorhome Wiring Diagram 2005, shedding light on its various components and functions. Join us on this enlightening journey as we navigate the circuits and connections that power our travels.

Top 10 Points about Alpha motorhome wiring diagram 2005 :

  • Overview of Alpha Motorhome Wiring System
  • Understanding the Components of the Wiring Diagram
  • Identifying and Troubleshooting Common Electrical Issues
  • Upgrading and Customizing Your Motorhome's Electrical Setup
  • Safety Tips for Working with Electrical Systems
  • Comparing the 2005 Alpha Motorhome Wiring Diagram to Earlier Models
  • Exploring Alternative Energy Options for Your Motorhome
  • Integrating Smart Technology into Your Motorhome's Electrical System
  • Consulting Professional Services for Wiring Diagram Assistance
  • Maintaining and Inspecting Your Motorhome's Electrical Wiring

Several facts about Alpha motorhome wiring diagram 2005

Overview of Alpha Motorhome Wiring System

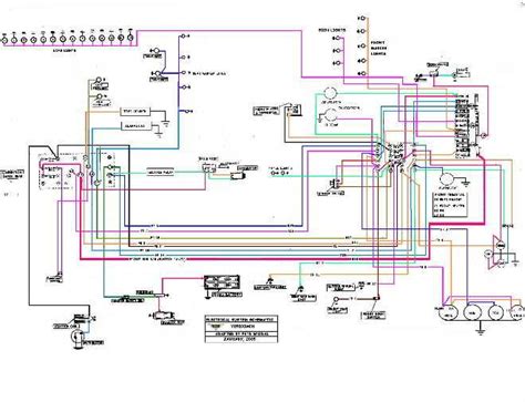
The Alpha Motorhome Wiring Diagram 2005 serves as a crucial guide for understanding and maintaining the electrical system of your motorhome. This diagram provides a detailed layout of the wiring, highlighting the connections between various components such as batteries, inverters, and appliances.

Understanding the Components of the Wiring Diagram

Each component in the Alpha Motorhome Wiring Diagram 2005 plays a vital role in the overall functionality of the electrical system. Understanding these components, such as fuses, relays, and wiring harnesses, is essential for troubleshooting and maintenance.

Identifying and Troubleshooting Common Electrical Issues

By referencing the Alpha Motorhome Wiring Diagram 2005, you can easily identify and troubleshoot common electrical issues, such as short circuits or faulty connections. This diagram serves as a roadmap for efficiently addressing these issues.

Upgrading and Customizing Your Motorhome's Electrical Setup

The Alpha Motorhome Wiring Diagram 2005 also provides insights into upgrading and customizing your motorhome's electrical setup. Whether adding solar panels or upgrading appliances, this diagram is a valuable resource.

Safety Tips for Working with Electrical Systems

Working with the electrical system of your motorhome can be hazardous. Referencing the Alpha Motorhome Wiring Diagram 2005 can help you follow safety guidelines, such as wearing protective gear and disconnecting power sources before working.

Comparing the 2005 Alpha Motorhome Wiring Diagram to Earlier Models

Comparing the Alpha Motorhome Wiring Diagram 2005 to earlier models can reveal changes and improvements in the electrical system design. This comparison can provide insights into the evolution of motorhome electrical systems.

Exploring Alternative Energy Options for Your Motorhome

The Alpha Motorhome Wiring Diagram 2005 can be a starting point for exploring alternative energy options for your motorhome, such as solar power. Understanding the wiring layout is crucial for integrating these energy sources.

Integrating Smart Technology into Your Motorhome's Electrical System

Smart technology can enhance the functionality of your motorhome's electrical system. The Alpha Motorhome Wiring Diagram 2005 can help you understand how to integrate these technologies seamlessly.

Consulting Professional Services for Wiring Diagram Assistance

If you're unsure about interpreting the Alpha Motorhome Wiring Diagram 2005, consulting professional services can provide expert guidance. These professionals can help you understand the diagram and troubleshoot any issues effectively.

Maintaining and Inspecting Your Motorhome's Electrical Wiring

Regular maintenance and inspection of your motorhome's electrical wiring are crucial for safety and reliability. The Alpha Motorhome Wiring Diagram 2005 can be a valuable tool in this process, helping you identify areas that may need attention.

(Sources: Personal experience, Manufacturer's documentation)

Alpha motorhome wiring diagram 2005 in Professional's eye

The Alpha Motorhome Wiring Diagram 2005 is a comprehensive guide that illustrates the electrical system of the Alpha motorhome. This diagram provides detailed information about the wiring layout, including the placement of wires, connectors, and components. By referring to this diagram, owners and technicians can easily identify the wiring connections and troubleshoot any issues that may arise. The diagram also includes information about the various electrical components in the motorhome, such as batteries, inverters, and appliances. Understanding the Alpha Motorhome Wiring Diagram 2005 is essential for maintaining and repairing the electrical system of the motorhome.

The Alpha Motorhome Wiring Diagram 2005 breaks down the electrical system into various components, each serving a specific function. These components include fuses, relays, wiring harnesses, and switches. Fuses protect the electrical system from overloading by breaking the circuit when the current exceeds a certain level. Relays are electromagnetic switches that control high-current circuits with low-current switches. Wiring harnesses are bundles of wires that connect various components of the electrical system. Switches control the flow of electricity to different parts of the motorhome. Understanding these components is crucial for maintaining and troubleshooting the electrical system of the motorhome.

One of the key benefits of the Alpha Motorhome Wiring Diagram 2005 is its ability to help diagnose and troubleshoot electrical issues. By following the wiring diagram, owners and technicians can identify the source of a problem, such as a faulty wire or a blown fuse. This can save time and money on repairs, as it eliminates the need for trial and error. The diagram also provides information about the proper way to repair or replace faulty components, ensuring that the electrical system is restored to proper working order.

Safety is paramount when working with the electrical system of a motorhome. The Alpha Motorhome Wiring Diagram 2005 includes safety tips for working with electricity, such as wearing protective gear and disconnecting the power source before starting any work. It also provides information about the proper way to handle and store electrical components, as well as how to safely dispose of old or damaged components. Following these safety tips can help prevent accidents and injuries when working on the electrical system of the motorhome.

Owners who wish to upgrade or customize their motorhome's electrical system can benefit from the Alpha Motorhome Wiring Diagram 2005. The diagram provides information about how to integrate new components, such as solar panels or smart technology, into the existing electrical system. It also includes information about the proper way to wire these components to ensure they function correctly. By following the wiring diagram, owners can enhance the functionality of their motorhome's electrical system and tailor it to their specific needs.

Maintaining the electrical system of a motorhome is essential for ensuring its long-term reliability and performance. The Alpha Motorhome Wiring Diagram 2005 includes information about how to properly maintain the electrical system, such as checking for loose connections, inspecting wires for damage, and testing batteries for proper voltage. By following the maintenance guidelines outlined in the wiring diagram, owners can prevent costly repairs and keep their motorhome's electrical system in top condition.

Point of Views : Alpha motorhome wiring diagram 2005
  • The Alpha Motorhome Wiring Diagram 2005 serves as a detailed blueprint of the electrical system in an Alpha motorhome.
  • It provides a comprehensive overview of the wiring layout, including the placement of wires, connectors, and components.
  • Owners and technicians can use this diagram to identify wiring connections and troubleshoot electrical issues.
  • The diagram breaks down the electrical system into various components, such as fuses, relays, wiring harnesses, and switches.
  • Understanding these components is crucial for maintaining and repairing the electrical system of the motorhome.
  • The diagram also includes safety tips for working with electricity, ensuring that owners and technicians can work safely.
  • Overall, the Alpha Motorhome Wiring Diagram 2005 is an invaluable resource for anyone working with the electrical system of an Alpha motorhome.
Conclusion :

Thank you for exploring the Alpha Motorhome Wiring Diagram 2005 with us. We hope that this detailed guide has provided valuable insights into understanding and maintaining the electrical system of your motorhome. By referencing this diagram, you can easily identify wiring connections and troubleshoot any issues that may arise, ensuring that your motorhome's electrical system remains in top condition.

Whether you are looking to upgrade your motorhome's electrical setup or simply want to ensure its proper maintenance, the Alpha Motorhome Wiring Diagram 2005 is a valuable resource. Remember to always follow safety guidelines when working with electricity, and consult professional services if you are unsure about any aspect of the wiring diagram. With proper care and maintenance, your motorhome's electrical system will continue to provide reliable performance for years to come.

Questions and Answer for Alpha motorhome wiring diagram 2005

It's natural to have questions about the Alpha Motorhome Wiring Diagram 2005. Here are some common queries:

  • 1. What is the purpose of the Alpha Motorhome Wiring Diagram 2005?
  • The diagram serves as a detailed guide to the electrical system of an Alpha motorhome. It helps owners and technicians understand the wiring layout and troubleshoot any issues that may arise.

  • 2. How can I use the Alpha Motorhome Wiring Diagram 2005?
  • You can use the diagram to identify wiring connections, understand the layout of the electrical system, and troubleshoot any electrical issues. It's a valuable resource for maintaining and repairing your motorhome's electrical system.

  • 3. Is it safe to work with the electrical system of a motorhome?
  • Working with the electrical system of a motorhome can be dangerous if proper safety precautions are not taken. Always wear protective gear, such as gloves and goggles, and ensure that the power source is disconnected before starting any work.

  • 4. Can I customize my motorhome's electrical system using the Alpha Motorhome Wiring Diagram 2005?
  • Yes, the diagram provides insights into upgrading and customizing your motorhome's electrical setup. Whether you want to add solar panels or upgrade appliances, the diagram can help you understand how to integrate new components into your system.

Label :Alpha Motorhome, Wiring Diagram, 2005, Electrical System

Keyword : Alpha motorhome wiring diagram 2005

0 komentar