Free 1956 Ford Wiring Diagram: Revive Your Classic Ride with Ease!

Free 1956 Ford Wiring Diagram: Revive Your Classic Ride with Ease!

Discover the intricacies of your 1956 Ford's wiring with our free diagram. Restore your classic beauty with ease, armed with the right knowledge.

In the realm of classic automotive enthusiasts, few names evoke as much admiration and nostalgia as 1956 Ford. This iconic year marked a pivotal moment in automotive design and engineering, showcasing Ford's commitment to innovation and style. However, maintaining and restoring a vintage vehicle like the 1956 Ford requires a deep understanding of its intricate systems, including its wiring. In this article, we delve into the world of wiring diagrams, focusing specifically on the 1956 Ford. We'll explore the various components of the wiring diagram, highlighting key elements that are crucial for restoration enthusiasts and mechanics alike. Understanding the wiring diagram of the 1956 Ford is not only a testament to its historical significance but also a practical necessity for those seeking to preserve its legacy for generations to come.

Top 10 Points about 1956 ford wiring diagram free :

  • Introduction to 1956 Ford Wiring Diagrams
  • Understanding the Basics of Electrical Systems
  • Identifying Components in the Wiring Diagram
  • Deciphering Wiring Color Codes
  • Common Wiring Issues and Troubleshooting
  • Tools and Equipment Needed for Wiring Work
  • Step-by-Step Guide to Reading a Wiring Diagram
  • Tips for Safe and Effective Wiring Repairs
  • Resources for Finding Wiring Diagrams
  • Conclusion: Preserving Your 1956 Ford's Electrical System

Several facts about 1956 ford wiring diagram free

Introduction to 1956 Ford Wiring Diagrams

Introduction to 1956 Ford Wiring Diagrams

When it comes to restoring a classic vehicle like the 1956 Ford, understanding its wiring system is crucial. Wiring diagrams provide a detailed illustration of the electrical system, showing how each component is connected and powered. These diagrams are invaluable for anyone working on the electrical system of a 1956 Ford, whether it's for maintenance, repair, or restoration purposes. By studying the wiring diagram, enthusiasts can gain a deeper appreciation for the engineering behind these vintage vehicles and ensure that their 1956 Ford remains in top condition for years to come.

Understanding the Basics of Electrical Systems

Understanding the Basics of Electrical Systems

Before diving into the wiring diagram of a 1956 Ford, it's essential to have a basic understanding of how electrical systems work. Electrical systems in vehicles, including the 1956 Ford, consist of various components such as the battery, alternator, fuses, and wires. These components work together to power the vehicle's electrical systems, including the lights, ignition, and accessories. Understanding the basics of electrical systems will make it easier to interpret the wiring diagram and troubleshoot any issues that may arise.

Identifying Components in the Wiring Diagram

Identifying Components in the Wiring Diagram

When looking at a wiring diagram for a 1956 Ford, it's essential to be able to identify the various components shown. These components include the battery, ignition switch, starter solenoid, distributor, coil, and various other switches and relays. Each component is represented by a symbol in the wiring diagram, which helps to simplify the diagram and make it easier to understand. By familiarizing yourself with these symbols, you can quickly identify the components in the wiring diagram and understand how they are connected.

Deciphering Wiring Color Codes

Deciphering Wiring Color Codes

Wiring diagrams for a 1956 Ford often include color codes to indicate the color of the wires used for each circuit. These color codes can vary depending on the manufacturer and the year of the vehicle. It's essential to decipher these color codes correctly to ensure that the wires are connected correctly and prevent electrical issues. Consulting a wiring diagram with color codes can help you identify the correct wires and make the necessary connections with confidence.

Common Wiring Issues and Troubleshooting

Common Wiring Issues and Troubleshooting

Like any other vehicle, a 1956 Ford may experience wiring issues over time. These issues can range from simple problems like a blown fuse to more complex issues like a short circuit. Troubleshooting these issues requires a systematic approach, starting with a thorough inspection of the wiring diagram. By following the wiring diagram and using a multimeter to test the circuits, you can identify and resolve common wiring issues in a 1956 Ford with confidence.

Tools and Equipment Needed for Wiring Work

Tools and Equipment Needed for Wiring Work

Working on the electrical system of a 1956 Ford requires a specific set of tools and equipment to ensure the job is done safely and effectively. Some essential tools and equipment for wiring work include a multimeter, wire strippers, crimping tools, soldering iron, and electrical tape. These tools will help you diagnose and repair wiring issues in your 1956 Ford with precision and accuracy, ensuring that the electrical system functions correctly.

Step-by-Step Guide to Reading a Wiring Diagram

Step-by-Step Guide to Reading a Wiring Diagram

Reading a wiring diagram for a 1956 Ford may seem daunting at first, but with a step-by-step approach, it can be relatively straightforward. Start by familiarizing yourself with the symbols used in the wiring diagram, then identify the components and their connections. Follow the wiring diagram from start to finish, tracing each wire's path and understanding how it is connected to other components. By taking it step by step, you can effectively read a wiring diagram for a 1956 Ford and use it to diagnose and repair any electrical issues.

Tips for Safe and Effective Wiring Repairs

Tips for Safe and Effective Wiring Repairs

When working on the wiring of a 1956 Ford, safety should always be a top priority. Before starting any wiring repairs, disconnect the battery to prevent electrical shocks. Use the appropriate tools and equipment for the job, and follow the wiring diagram carefully to ensure that the wires are connected correctly. It's also essential to use the right gauge of wire for the circuit to prevent overheating and potential fires. By following these tips, you can safely and effectively repair the wiring in your 1956 Ford and keep it running smoothly for years to come.

Resources for Finding Wiring Diagrams

Resources for Finding Wiring Diagrams

For those looking to find wiring diagrams for a 1956 Ford, there are

1956 ford wiring diagram free in Professional's eye

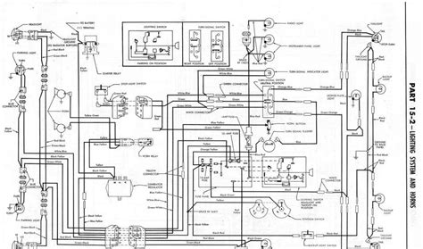
Wiring diagrams are essential tools for understanding the electrical systems of vehicles like the 1956 Ford. They provide a visual representation of how the electrical components are connected and powered, making it easier to diagnose and repair electrical issues. 1956 Ford wiring diagrams typically include detailed illustrations of the wiring harness, showing the color codes for each wire and the connections to various components such as the battery, ignition switch, lights, and accessories.

One of the key benefits of wiring diagrams is that they help enthusiasts and mechanics understand the complex electrical systems of vintage vehicles like the 1956 Ford. By studying the diagram, individuals can gain a better understanding of how the electrical components work together and how they are connected. This knowledge is crucial for maintaining, repairing, and restoring a 1956 Ford, ensuring that its electrical system functions correctly.

When using a wiring diagram to work on a 1956 Ford, it's essential to have a basic understanding of electrical systems and how to read the diagram. Most diagrams will include a key or legend that explains the symbols used to represent different components and their connections. It's also important to follow the diagram carefully and use the correct tools and techniques to prevent damage to the vehicle's electrical system.

One of the most common uses of a wiring diagram for a 1956 Ford is troubleshooting electrical issues. If a component such as a light or accessory is not working, a diagram can help identify the problem area and guide the repair process. By following the diagram step by step, individuals can trace the wiring and check for any breaks, shorts, or loose connections that may be causing the issue.

Another benefit of wiring diagrams is that they can help individuals modify or upgrade the electrical system of a 1956 Ford. Whether adding new accessories or upgrading to a modern ignition system, a diagram can provide guidance on how to make the necessary changes while maintaining the integrity of the original wiring. This can be especially useful for enthusiasts looking to customize their 1956 Ford without compromising its authenticity.

Overall, wiring diagrams are invaluable tools for anyone working on the electrical system of a 1956 Ford or any other vehicle. They provide a detailed and visual representation of the wiring harness and electrical components, making it easier to understand how they are connected and powered. Whether troubleshooting an issue, performing maintenance, or making modifications, a wiring diagram is an essential resource for ensuring the electrical system functions correctly.

Point of Views : 1956 ford wiring diagram free
  • Wiring diagrams are crucial for understanding the electrical systems of vehicles like the 1956 Ford.
  • They provide a visual representation of how the electrical components are connected and powered.
  • 1956 Ford wiring diagrams typically include detailed illustrations of the wiring harness.
  • They show the color codes for each wire and the connections to various components such as the battery, ignition switch, lights, and accessories.
  • One key benefit of wiring diagrams is that they help enthusiasts and mechanics understand complex electrical systems.
  • By studying the diagram, individuals can gain a better understanding of how the electrical components work together and how they are connected.
  • When using a wiring diagram to work on a 1956 Ford, it's essential to have a basic understanding of electrical systems and how to read the diagram.
  • Most diagrams will include a key or legend that explains the symbols used to represent different components and their connections.
  • It's also important to follow the diagram carefully and use the correct tools and techniques to prevent damage to the vehicle's electrical system.
  • One common use of a wiring diagram for a 1956 Ford is troubleshooting electrical issues.
  • If a component such as a light or accessory is not working, a diagram can help identify the problem area and guide the repair process.
  • Another benefit of wiring diagrams is that they can help individuals modify or upgrade the electrical system of a 1956 Ford.
  • Whether adding new accessories or upgrading to a modern ignition system, a diagram can provide guidance on how to make the necessary changes while maintaining the integrity of the original wiring.
  • Overall, wiring diagrams are invaluable tools for anyone working on the electrical system of a 1956 Ford or any other vehicle.
  • They provide a detailed and visual representation of the wiring harness and electrical components, making it easier to understand how they are connected and powered.
Conclusion :

Thank you for taking the time to explore the world of 1956 Ford wiring diagrams with us. We hope that our articles have provided valuable insights into the intricacies of the electrical systems of these classic vehicles. Understanding the wiring diagram of a 1956 Ford is not only a testament to its historical significance but also a practical necessity for those seeking to preserve its legacy for generations to come.

Whether you're a seasoned enthusiast or just starting with automotive restoration, wiring diagrams are invaluable resources that can help you maintain, repair, and restore your 1956 Ford with confidence. By studying the diagram and understanding how the electrical components work together, you can ensure that your 1956 Ford remains in top condition for years to come. We invite you to continue exploring our blog for more informative articles and resources on classic cars and wiring diagram topics. Until next time, happy restoring!

Questions and Answer for 1956 ford wiring diagram free

When it comes to 1956 Ford Wiring Diagrams, people often have several questions. Here are some of the most common queries:

  • What is a wiring diagram?
  • A wiring diagram is a detailed diagram showing the layout of the electrical system or circuit in a vehicle. It uses symbols to represent electrical components and shows the connections between them.

  • Why is a wiring diagram important?
  • A wiring diagram is essential for understanding how the electrical system in a vehicle works. It helps in diagnosing and repairing electrical issues and also aids in installing new electrical components correctly.

  • Where can I find a free wiring diagram for a 1956 Ford?
  • There are several sources where you can find free wiring diagrams for a 1956 Ford. Online forums, automotive websites, and some automotive repair manuals offer free access to wiring diagrams for various vehicles, including the 1956 Ford.

  • How do I read a wiring diagram?
  • Reading a wiring diagram involves understanding the symbols used to represent electrical components and the connections between them. It also requires following the flow of current through the diagram to understand how the electrical system works.

Label :wiring diagram, 1956 Ford, free, electrical system

Keyword : 1956 ford wiring diagram free

0 komentar