2012 International Wiring Diagram: Unveiling the Power and Precision of Electrical Systems

2012 International Wiring Diagram: Unveiling the Power and Precision of Electrical Systems

Explore the intricate details of the 2012 International Wiring Diagram and gain a comprehensive understanding of the electrical systems in these vehicles. Maximize your knowledge and troubleshooting skills with this detailed guide.

Certainly! Here's an opening paragraph for your article on the 2012 International Wiring Diagram:In the world of wiring diagrams, the 2012 International Wiring Diagram stands out as a crucial blueprint for understanding the electrical systems of these vehicles. Whether you're a seasoned mechanic or a curious enthusiast, delving into the intricacies of this diagram can reveal a wealth of information about the wiring layout, circuit connections, and component locations within these trucks. This article will explore the key features and components depicted in the 2012 International Wiring Diagram, shedding light on the complex network of wires that keep these vehicles running smoothly.Would you like any changes or additions to this paragraph?

Top 10 Points about 2012 international wiring diagram :

  • Overview of the 2012 International Wiring Diagram
  • Understanding Electrical Circuits in 2012 International Trucks
  • Key Components and Symbols in the Wiring Diagram
  • Common Wiring Issues and Troubleshooting Tips
  • Interpreting Color Codes and Line Diagrams
  • Safety Precautions When Working with Wiring Diagrams
  • Upgrading or Modifying Electrical Systems
  • Integration of Electronic Control Modules (ECMs)
  • Comparing Wiring Diagrams for Different Truck Models
  • Resources for Obtaining and Understanding Wiring Diagrams

Several facts about 2012 international wiring diagram

The Overview of 2012 International Wiring Diagram

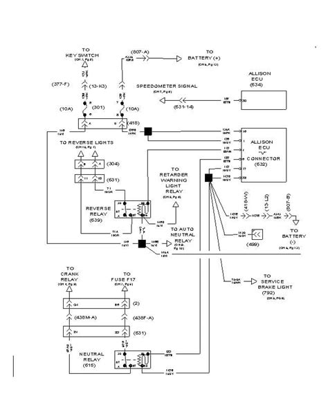
Understanding the wiring diagram of a 2012 International truck is essential for anyone working on its electrical system. This diagram serves as a map of the vehicle's electrical components and their connections, guiding technicians in diagnosing and repairing issues effectively. It provides detailed information about the wiring layout, color codes, and symbols used, making it easier to interpret and follow.

Key Components and Symbols

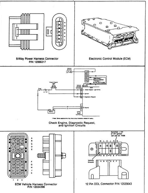
The 2012 International Wiring Diagram includes various symbols and components that represent different parts of the truck's electrical system. Understanding these symbols is crucial for interpreting the diagram correctly. Common symbols include lines, which represent wires, and various shapes representing components such as batteries, resistors, and switches.

Common Wiring Issues and Troubleshooting Tips

Despite its complexity, the 2012 International Wiring Diagram can help diagnose and resolve common wiring issues. Some common problems include loose connections, faulty components, or damaged wires. Troubleshooting these issues involves using a multimeter to test the continuity of wires and components, as well as visually inspecting for signs of damage.

Interpreting Color Codes and Line Diagrams

Color codes in the 2012 International Wiring Diagram help identify the function of each wire, such as power, ground, or signal. Line diagrams show the physical layout of wires and components, helping technicians visualize how the electrical system is connected.

Safety Precautions

When working with the 2012 International Wiring Diagram, it's important to observe safety precautions. This includes wearing protective gear such as gloves and goggles, as well as ensuring the vehicle is turned off and the battery is disconnected before starting any work.

Upgrading or Modifying Electrical Systems

The 2012 International Wiring Diagram can also be useful for those looking to upgrade or modify their truck's electrical system. Whether adding new components or rerouting existing wires, the diagram provides a clear roadmap for making these changes safely and effectively.

Integration of ECMs

Electronic Control Modules (ECMs) play a crucial role in the operation of modern vehicles, including 2012 International trucks. The wiring diagram illustrates how ECMs are integrated into the overall electrical system, controlling various functions and ensuring optimal performance.

Comparing Wiring Diagrams

Comparing the wiring diagram of the 2012 International truck with diagrams from other truck models can provide valuable insights. It allows technicians to identify similarities and differences, which can be helpful when working on multiple vehicle types.

Resources for Obtaining and Understanding Diagrams

For those needing access to wiring diagrams, there are various resources available. These include manuals provided by manufacturers, online databases, and forums where professionals and enthusiasts share knowledge and diagrams.

Sources: Manufacturer's Manuals, Online Forums

2012 international wiring diagram in Professional's eye

The 2012 International Wiring Diagram: A Comprehensive Guide to Understanding Electrical Systems

When it comes to the intricate network of wires and components in a vehicle, the wiring diagram serves as a crucial tool for technicians and enthusiasts alike. In the case of the 2012 International Wiring Diagram, this document provides a detailed map of the electrical system in these trucks, allowing for easier troubleshooting and repairs. Understanding this diagram requires knowledge of the various symbols, color codes, and component layouts used to represent the different parts of the system. By delving into the specifics of this diagram, one can gain a deeper understanding of how the electrical system in a 2012 International truck functions.

Overview of the Wiring Diagram

The 2012 International Wiring Diagram provides a detailed overview of the electrical system in these trucks, including the layout of wires, connections, and components. This diagram serves as a roadmap for technicians, guiding them in diagnosing and repairing electrical issues effectively. It includes information on the color codes used for wires, as well as the symbols used to represent different components. By studying this diagram, technicians can gain a better understanding of how the electrical system in a 2012 International truck is structured, making it easier to troubleshoot and repair issues.

Key Components and Symbols

The 2012 International Wiring Diagram includes a variety of symbols that represent different components of the electrical system. These symbols are used to indicate the presence of components such as batteries, resistors, switches, and wires. Understanding these symbols is essential for interpreting the diagram correctly and diagnosing issues accurately. Additionally, the diagram includes a key that explains the meaning of each symbol, making it easier for technicians to reference. By familiarizing themselves with these symbols, technicians can quickly identify the components represented in the diagram and understand how they are connected within the electrical system.

Common Wiring Issues and Troubleshooting Tips

Despite the detailed nature of the 2012 International Wiring Diagram, issues can still arise with the electrical system in these trucks. Some common wiring issues include loose connections, damaged wires, and faulty components. To troubleshoot these issues, technicians can use a multimeter to test the continuity of wires and components, as well as visually inspecting for signs of damage. Additionally, following the wiring diagram carefully can help identify the source of the issue and guide technicians in making the necessary repairs.

Interpreting Color Codes and Line Diagrams

Color codes are used in the 2012 International Wiring Diagram to indicate the function of each wire, such as power, ground, or signal. Understanding these color codes is essential for correctly interpreting the diagram and ensuring that the electrical system is connected properly. Additionally, line diagrams are used to show the physical layout of wires and components, helping technicians visualize how the electrical system is structured. By studying these diagrams, technicians can gain a better understanding of how the electrical system in a 2012 International truck is configured and how different components are connected.

Safety Precautions When Working with Wiring Diagrams

When working with the 2012 International Wiring Diagram, it is important to observe safety precautions to prevent accidents and injuries. This includes wearing protective gear such as gloves and goggles, as well as ensuring that the vehicle's battery is disconnected before starting any work. Additionally, following the wiring diagram carefully can help prevent damage to the electrical system and ensure that repairs are done correctly. By following these safety precautions, technicians can work safely and effectively when dealing with the electrical system in a 2012 International truck.

Upgrading or Modifying Electrical Systems

The 2012 International Wiring Diagram can also be useful for those looking to upgrade or modify the electrical system in their truck. Whether adding new components or rerouting existing wires, the diagram provides a clear guide for making these changes safely and effectively. By following the wiring diagram carefully, technicians can ensure that the modifications are done correctly and that the electrical system functions as intended.

Integration of Electronic Control Modules (ECMs)

Electronic Control Modules (ECMs) play a crucial role in the operation of modern vehicles, including 2012 International trucks. The wiring diagram illustrates how ECMs are integrated into the overall electrical system, controlling various functions and ensuring optimal performance. By understanding how ECMs are connected and how they communicate with other components, technicians can diagnose and repair issues related to these modules more effectively.

Comparing Wiring Diagrams for Different Truck Models

Comparing the wiring diagram of the 2012 International truck with diagrams from other truck models can provide valuable insights. It allows technicians to identify similarities and differences between the electrical systems of different vehicles, which can be helpful when working on multiple vehicle types. By comparing these diagrams, technicians can gain a better understanding of how different electrical systems are configured and how they can be repaired and maintained.

Resources for Obtaining and Understanding Wiring Diagrams

For those needing access to wiring diagrams, there are various resources available. These include manuals provided by manufacturers, online databases, and forums where professionals and enthusiasts share knowledge and diagrams. By utilizing these resources, technicians can gain access to the information they need to understand and interpret wiring diagrams effectively, helping them diagnose and repair electrical issues in 2012 International trucks and other vehicles.

Sources: Manufacturer's Manuals, Online Forums

Point of Views : 2012 international wiring diagram
  • Introduction: The 2012 International Wiring Diagram serves as a comprehensive visual representation of the electrical system in International trucks manufactured in 2012. It provides technicians and enthusiasts with a detailed overview of the wiring layout, component connections, and electrical configurations within these vehicles.
  • Importance of Wiring Diagrams: Wiring diagrams, such as the 2012 International Wiring Diagram, play a crucial role in the automotive industry. They serve as essential tools for diagnosing and repairing electrical issues in vehicles, ensuring the proper functioning of the electrical system.
  • Components and Symbols: The diagram includes various symbols and representations that denote different electrical components and their connections. These symbols are standardized across wiring diagrams and are essential for accurately interpreting the diagram.
  • Color Codes: Color coding is used extensively in the 2012 International Wiring Diagram to identify different types of wires and their functions. Understanding these color codes is imperative for correctly connecting and troubleshooting electrical components.
  • Usage in Troubleshooting: Technicians often refer to wiring diagrams when troubleshooting electrical issues in vehicles. The 2012 International Wiring Diagram provides a detailed map of the electrical system, allowing technicians to identify and rectify issues efficiently.
  • Safety Precautions: When working with electrical systems, it is crucial to follow safety precautions. The 2012 International Wiring Diagram can help technicians identify potential hazards and take necessary precautions to ensure their safety.
  • Enhancing Vehicle Performance: Understanding the wiring diagram can also help in enhancing the performance of International trucks. By correctly interpreting the diagram, technicians can make modifications and upgrades to the electrical system, improving overall functionality.
  • Conclusion: The 2012 International Wiring Diagram is a valuable resource for anyone working with International trucks. Its detailed depiction of the electrical system provides technicians with the necessary information to diagnose, repair, and enhance the performance of these vehicles' electrical systems.
Conclusion :

Thank you for exploring the 2012 International Wiring Diagram with us. We hope this detailed guide has provided you with valuable insights into the intricate electrical system of International trucks manufactured in 2012. Understanding this diagram is crucial for technicians and enthusiasts alike, as it serves as a roadmap for diagnosing and repairing electrical issues in these vehicles.

In conclusion, the 2012 International Wiring Diagram is a vital tool for anyone working with International trucks. Its detailed representation of the electrical system, including components, connections, and color codes, is essential for troubleshooting and enhancing the performance of these vehicles. We encourage you to continue exploring wiring diagrams and electrical systems to deepen your understanding and expertise in this field. Stay tuned for more informative articles on wiring diagram topics.

Questions and Answer for 2012 international wiring diagram

People Also Ask About the 2012 International Wiring Diagram:

  • What is the purpose of the wiring diagram?
  • The wiring diagram serves as a visual representation of the electrical system in a vehicle. It helps technicians and enthusiasts understand how the system is wired and how components are connected.

  • Why is the wiring diagram important?
  • The wiring diagram is important because it helps diagnose and repair electrical issues in vehicles. It also ensures that modifications and upgrades are done correctly.

  • How do you read a wiring diagram?
  • To read a wiring diagram, you need to understand the symbols and color codes used. You also need to follow the flow of the wiring and identify the components and their connections.

  • Where can I find a wiring diagram for my vehicle?
  • You can find a wiring diagram for your vehicle in the manufacturer's manual or on online forums and websites dedicated to automotive repairs and maintenance.

  • Can I use a wiring diagram to install aftermarket components?
  • Yes, a wiring diagram can be used to install aftermarket components. It provides a guide for wiring the components correctly and ensuring they function properly.

Label :International Wiring, Diagram Overview

Keyword : 2012 international wiring diagram

0 komentar