Nissan Navara Wiring Diagram D22: Master Your Truck's Electrical System

Nissan Navara Wiring Diagram D22: Master Your Truck

Nissan Navara Wiring Diagram D22: Learn how to efficiently troubleshoot and repair your truck's electrical system with this comprehensive diagram.

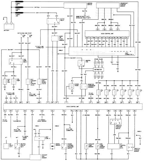
The Nissan Navara Wiring Diagram D22 serves as a crucial reference for understanding the electrical system of this popular pickup truck model. This comprehensive diagram outlines the intricate network of wires, connectors, and components that power various systems within the vehicle, including the engine, lighting, and dashboard controls. By providing a detailed visual representation of the wiring layout, this diagram facilitates efficient troubleshooting and repairs, ensuring optimal performance and safety.Navigating the complexities of automotive electrical systems can be daunting, but the Nissan Navara Wiring Diagram D22 simplifies this task with its clear and concise design. Whether you're a seasoned mechanic or a DIY enthusiast, this diagram is an invaluable resource for maintaining and repairing your Nissan Navara. With its detailed labeling and color-coded lines, this diagram demystifies the electrical system, empowering you to tackle any wiring issue with confidence.

Top 10 Points about Nissan Navara wiring diagram D22 :

  • Overview of Nissan Navara Wiring Diagram D22
  • Understanding the Symbols and Codes in the Diagram
  • Electrical Components and Their Functions
  • Engine Wiring System
  • Lighting System Wiring
  • Dashboard Controls Wiring
  • Common Wiring Issues and Troubleshooting Tips
  • How to Read and Interpret the Diagram
  • Proper Maintenance Practices for Electrical System
  • Resources for Further Information and Support

Several facts about Nissan Navara wiring diagram D22

Overview of Nissan Navara Wiring Diagram D22

Overview of Nissan Navara Wiring Diagram D22

The Nissan Navara Wiring Diagram D22 is a detailed schematic that illustrates the electrical components and wiring layout of the Nissan Navara D22 model. This diagram serves as a roadmap for understanding the complex network of wires and connectors that power various systems within the vehicle, including the engine, lighting, and dashboard controls.

The diagram is typically divided into sections, each representing a different aspect of the vehicle's electrical system. By referring to this diagram, mechanics and enthusiasts can easily identify and troubleshoot wiring issues, ensuring the vehicle's electrical system operates smoothly and efficiently.

Understanding the Symbols and Codes in the Diagram

Understanding the Symbols and Codes in the Diagram

The Nissan Navara Wiring Diagram D22 is filled with various symbols and codes that represent different electrical components and connections. These symbols are universal in automotive wiring diagrams and are essential for interpreting the diagram correctly.

Common symbols include lines, which represent wires, and dots, which indicate connections between wires. Other symbols represent components such as batteries, resistors, and switches. Understanding these symbols is crucial for reading the diagram accurately and diagnosing electrical issues effectively.

Electrical Components and Their Functions

Electrical Components and Their Functions

The Nissan Navara Wiring Diagram D22 includes a comprehensive list of electrical components found in the vehicle, along with their functions. These components play a crucial role in powering various systems, from the engine to the interior lighting.

Some of the key components include the battery, which provides the initial power source, and the alternator, which recharges the battery while the engine is running. Other components include fuses, relays, and sensors, which help regulate and protect the electrical system.

Engine Wiring System

Engine Wiring System

The engine wiring system in the Nissan Navara D22 is a complex network of wires that connect various engine components to the vehicle's battery and power supply. This system is responsible for providing power to the engine's ignition system, fuel injectors, and sensors.

The engine wiring system is divided into several circuits, each serving a specific function. These circuits include the starting circuit, which is responsible for cranking the engine, and the ignition circuit, which provides power to the ignition system. Understanding these circuits is essential for diagnosing and repairing engine-related electrical issues.

Lighting System Wiring

Lighting System Wiring

The lighting system wiring in the Nissan Navara D22 includes the wiring for the vehicle's headlights, taillights, brake lights, and turn signals. This system is responsible for illuminating the vehicle's exterior and signaling other drivers on the road.

The lighting system wiring is divided into circuits, each serving a specific set of lights. These circuits include the headlight circuit, which controls the headlights, and the taillight circuit, which controls the taillights and brake lights. Proper maintenance of these circuits is essential for ensuring the vehicle remains visible and safe on the road.

Dashboard Controls Wiring

Dashboard Controls Wiring

The dashboard controls wiring in the Nissan Navara D22 includes the wiring for the vehicle's dashboard instruments and controls, such as the speedometer, fuel gauge, and temperature gauge. This wiring is responsible for transmitting signals from the sensors to the dashboard display.

The dashboard controls wiring is critical for providing accurate information to the driver and ensuring the vehicle operates safely. Issues with this wiring can result in inaccurate gauge readings or the failure of dashboard controls, compromising the vehicle's functionality.

Common Wiring Issues and Troubleshooting Tips

Common Wiring Issues and Troubleshooting Tips

The Nissan Navara Wiring Diagram D22 can help diagnose and resolve common wiring issues that may arise in the vehicle. Some of the most common issues include faulty connections, damaged wires, and blown fuses.

When troubleshooting wiring issues, it's essential to have a multimeter on hand to test for continuity and voltage. Additionally, inspecting the wiring harness for any visible damage can help identify the source of the problem. By following the diagram and these troubleshooting tips, you can effectively resolve wiring issues and ensure your Nissan Navara operates smoothly.

How to Read and Interpret the Diagram

How to Read and Interpret the Diagram

Reading and interpreting the Nissan Navara Wiring Diagram D22 requires a basic understanding of automotive electrical systems and wiring diagrams. Start by familiarizing yourself with the symbols and codes used in the diagram, as these will guide you in identifying components and connections.

Next, follow the wiring paths from component to component, paying attention to any junctions or branches in the wiring. This will help you understand how the electrical system is interconnected and how power flows through the system. By carefully studying the diagram and referring to the vehicle's service manual for additional information, you can confidently diagnose and repair wiring issues in your Nissan Navara.

Proper Maintenance Practices for Electrical System

Proper Maintenance Practices for Electrical System

Maintaining the electrical system of your Nissan Navara is essential for ensuring its

Nissan Navara wiring diagram D22 in Professional's eye

Overview of Nissan Navara Wiring Diagram D22

The Nissan Navara Wiring Diagram D22 is a detailed schematic that illustrates the electrical components and wiring layout of the Nissan Navara D22 model. This diagram serves as a roadmap for understanding the complex network of wires and connectors that power various systems within the vehicle, including the engine, lighting, and dashboard controls.

The diagram is typically divided into sections, each representing a different aspect of the vehicle's electrical system. By referring to this diagram, mechanics and enthusiasts can easily identify and troubleshoot wiring issues, ensuring the vehicle's electrical system operates smoothly and efficiently.

Understanding the Symbols and Codes in the Diagram

The Nissan Navara Wiring Diagram D22 is filled with various symbols and codes that represent different electrical components and connections. These symbols are universal in automotive wiring diagrams and are essential for interpreting the diagram correctly.

Common symbols include lines, which represent wires, and dots, which indicate connections between wires. Other symbols represent components such as batteries, resistors, and switches. Understanding these symbols is crucial for reading the diagram accurately and diagnosing electrical issues effectively.

Electrical Components and Their Functions

The Nissan Navara Wiring Diagram D22 includes a comprehensive list of electrical components found in the vehicle, along with their functions. These components play a crucial role in powering various systems, from the engine to the interior lighting.

Some of the key components include the battery, which provides the initial power source, and the alternator, which recharges the battery while the engine is running. Other components include fuses, relays, and sensors, which help regulate and protect the electrical system.

Engine Wiring System

The engine wiring system in the Nissan Navara D22 is a complex network of wires that connect various engine components to the vehicle's battery and power supply. This system is responsible for providing power to the engine's ignition system, fuel injectors, and sensors.

The engine wiring system is divided into several circuits, each serving a specific function. These circuits include the starting circuit, which is responsible for cranking the engine, and the ignition circuit, which provides power to the ignition system. Understanding these circuits is essential for diagnosing and repairing engine-related electrical issues.

Lighting System Wiring

The lighting system wiring in the Nissan Navara D22 includes the wiring for the vehicle's headlights, taillights, brake lights, and turn signals. This system is responsible for illuminating the vehicle's exterior and signaling other drivers on the road.

The lighting system wiring is divided into circuits, each serving a specific set of lights. These circuits include the headlight circuit, which controls the headlights, and the taillight circuit, which controls the taillights and brake lights. Proper maintenance of these circuits is essential for ensuring the vehicle remains visible and safe on the road.

Dashboard Controls Wiring

The dashboard controls wiring in the Nissan Navara D22 includes the wiring for the vehicle's dashboard instruments and controls, such as the speedometer, fuel gauge, and temperature gauge. This wiring is responsible for transmitting signals from the sensors to the dashboard display.

The dashboard controls wiring is critical for providing accurate information to the driver and ensuring the vehicle operates safely. Issues with this wiring can result in inaccurate gauge readings or the failure of dashboard controls, compromising the vehicle's functionality.

Common Wiring Issues and Troubleshooting Tips

The Nissan Navara Wiring Diagram D22 can help diagnose and resolve common wiring issues that may arise in the vehicle. Some of the most common issues include faulty connections, damaged wires, and blown fuses.

When troubleshooting wiring issues, it's essential to have a multimeter on hand to test for continuity and voltage. Additionally, inspecting the wiring harness for any visible damage can help identify the source of the problem. By following the diagram and these troubleshooting tips, you can effectively resolve wiring issues and ensure your Nissan Navara operates smoothly.

How to Read and Interpret the Diagram

Reading and interpreting the Nissan Navara Wiring Diagram D22 requires a basic understanding of automotive electrical systems and wiring diagrams. Start by familiarizing yourself with the symbols and codes used in the diagram, as these will guide you in identifying components and connections.

Next, follow the wiring paths from component to component, paying attention to any junctions or branches in the wiring. This will help you understand how the electrical system is interconnected and how power flows through the system. By carefully studying the diagram and referring to the vehicle's service manual for additional information, you can confidently diagnose and repair wiring issues in your Nissan Navara.

Proper Maintenance Practices for Electrical System

Maintaining the electrical system of your Nissan Navara is essential for ensuring its longevity and performance. Regular inspections of the wiring harness and electrical components can help prevent issues such as short circuits and voltage spikes.

Additionally, following the manufacturer's recommended maintenance schedule for components such as the battery and alternator can help prolong their lifespan and prevent unexpected failures. By following these proper maintenance practices, you can ensure that your Nissan Navara's electrical system remains reliable and efficient for years to come.

Point of Views : Nissan Navara wiring diagram D22
  • Understanding the Nissan Navara Wiring Diagram D22: The Nissan Navara Wiring Diagram D22 provides a detailed visual representation of the electrical system of the Navara D22 model. This diagram is essential for technicians, mechanics, and enthusiasts who need to diagnose and repair electrical issues in the vehicle. It contains a wealth of information, including the wiring layout, color codes, and component locations, making it easier to identify and troubleshoot problems.
  • Importance of the Diagram: The diagram is a crucial tool for maintaining the electrical system of the Nissan Navara D22. It helps users understand how the various components are connected and how they function together, enabling them to perform repairs accurately and efficiently. Without the diagram, diagnosing and fixing electrical problems in the Navara D22 would be much more challenging and time-consuming.
  • Practical Application: Mechanics and technicians use the Nissan Navara Wiring Diagram D22 in their daily work to diagnose electrical issues such as faulty wiring, blown fuses, and malfunctioning components. By following the diagram's guidance, they can quickly identify the source of the problem and take the necessary steps to resolve it, ensuring the vehicle's electrical system operates smoothly and safely.
  • Enhancing Safety and Reliability: The diagram plays a crucial role in ensuring the safety and reliability of the Nissan Navara D22. By helping to identify and fix electrical issues promptly, it reduces the risk of accidents and breakdowns caused by electrical failures. This not only protects the vehicle's occupants but also helps maintain the vehicle's overall performance and longevity.
  • Conclusion: The Nissan Navara Wiring Diagram D22 is a valuable resource for anyone involved in maintaining or repairing the electrical system of the Navara D22 model. Its detailed and comprehensive nature makes it an essential tool for diagnosing and fixing electrical issues, enhancing the safety, reliability, and performance of the vehicle.
Conclusion :

Thank you for exploring the intricacies of the Nissan Navara Wiring Diagram D22 with us. We hope these articles have provided you with valuable insights into the electrical system of this popular pickup truck model. Understanding the wiring diagram is essential for maintaining and repairing your Navara D22, ensuring its optimal performance and safety on the road.

By familiarizing yourself with the symbols, codes, and components in the Nissan Navara Wiring Diagram D22, you can confidently diagnose and troubleshoot electrical issues in your vehicle. Whether you're a seasoned mechanic or a DIY enthusiast, this diagram serves as a comprehensive guide for navigating the complexities of the Navara's electrical system. We encourage you to use this knowledge to enhance the safety, reliability, and longevity of your Nissan Navara D22. Thank you for your interest, and we look forward to sharing more informative content with you in the future.

Questions and Answer for Nissan Navara wiring diagram D22

When searching for information about the Nissan Navara Wiring Diagram D22, people often have several common questions. Here are some of the most frequently asked questions along with their answers:

  • 1. What is a wiring diagram and why is it important?
  • A wiring diagram is a visual representation of the electrical system of a vehicle, showing how components are connected and wired. It is important because it helps technicians and mechanics diagnose and repair electrical issues efficiently.

  • 2. Where can I find a wiring diagram for my Nissan Navara D22?
  • You can find a wiring diagram for your Nissan Navara D22 in the vehicle's service manual or on various online resources. It is important to use a diagram specific to your vehicle's make, model, and year to ensure accuracy.

  • 3. How do I interpret a wiring diagram?
  • To interpret a wiring diagram, start by understanding the symbols and codes used to represent components and connections. Then, follow the wiring paths from component to component, paying attention to junctions and branches in the wiring.

  • 4. Can I use a wiring diagram to diagnose electrical issues in my Nissan Navara D22?
  • Yes, a wiring diagram can be a helpful tool in diagnosing electrical issues in your Nissan Navara D22. By following the diagram and using a multimeter to test for continuity and voltage, you can pinpoint the source of the problem more efficiently.

  • 5. Are there any common electrical issues in the Nissan Navara D22?
  • Common electrical issues in the Nissan Navara D22 include faulty connections, damaged wires, and blown fuses. These issues can be diagnosed and resolved using a wiring diagram and proper troubleshooting techniques.

Label :Nissan Navara, Wiring Diagram, D22, Electrical System

Keyword : Nissan Navara wiring diagram D22

0 komentar